EasyManua.ls Logo

Laars FTCF140 - Control Board, Electrical Diagram

Laars FTCF140
92 pages
Print Icon
To Next Page IconTo Next Page
To Next Page IconTo Next Page
To Previous Page IconTo Previous Page
To Previous Page IconTo Previous Page
Loading...
Page 50
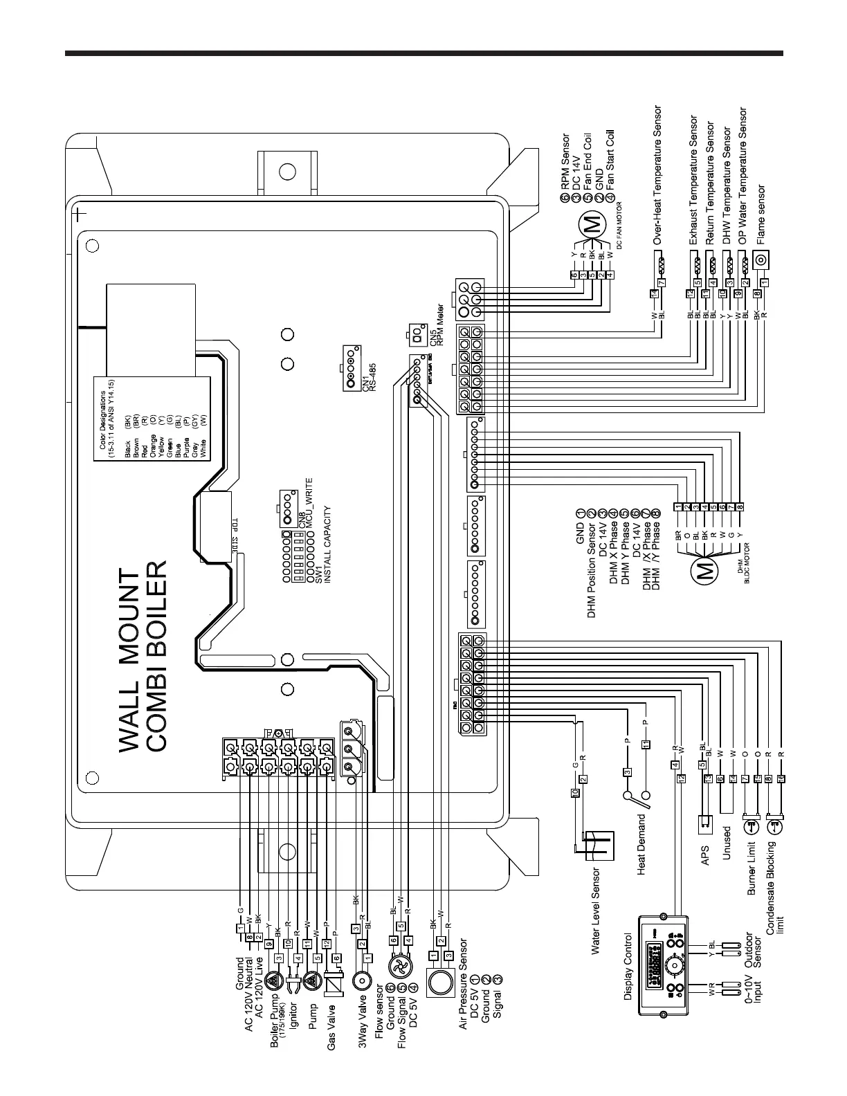
4.19 Control Board, Electrical Diagram

Table of Contents

Related product manuals