EasyManua.ls Logo

LAVAZZA LB 2302 - Internal Components Diagram

LAVAZZA LB 2302
74 pages
Print Icon
To Next Page IconTo Next Page
To Next Page IconTo Next Page
To Previous Page IconTo Previous Page
To Previous Page IconTo Previous Page
Loading...
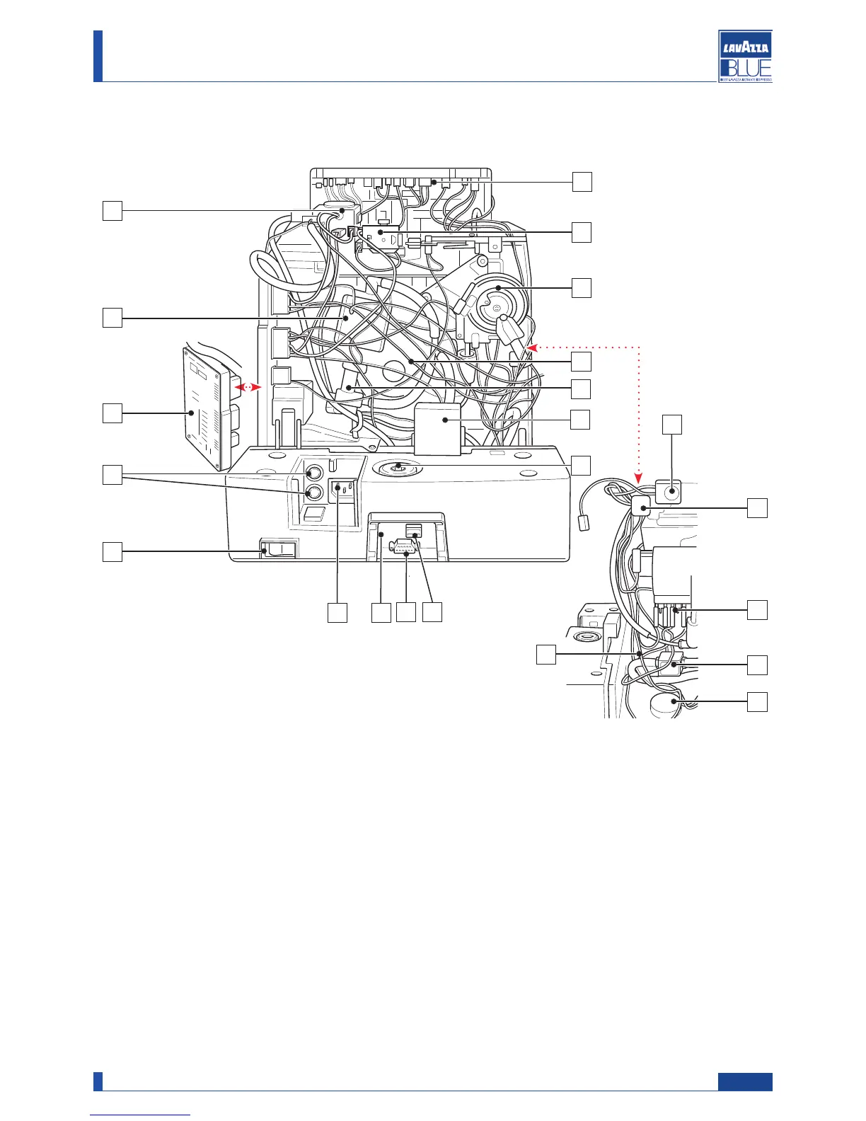
1.2.6. Internal components
1 Steam solenoid valve
2 Pressure relief valve
3 Power board
4 On/off switch
5 Safety fuses
6 Connection for power cord
7 IRDA for programming
8 RS232 connector for programming
9 Connector for payment systems
10 Coupling for water tank
11 Capacitive sensor
3
Manual code 10083445 / Rel. 0.00 / April 2010
Maintenance manual for technical assistance LB 2300-2301-2302-2311-2312
12 Gear motor
13 Pump
14 Boiler
15 Capsule release coil
16 CPU board
17 Noise filtera
18 Safety thermostats
19 Water solenoid valve
20 Flowmeter
12
13
1
3
5
4
6
7
8
9
16
1
5
14
11
1
15
17
18
19
20
2
10

Table of Contents

Related product manuals