EasyManua.ls Logo

Lovol TE Series - Page 55

Lovol TE Series
121 pages
Print Icon
To Next Page IconTo Next Page
To Next Page IconTo Next Page
To Previous Page IconTo Previous Page
To Previous Page IconTo Previous Page
Loading...
Operating Instructions
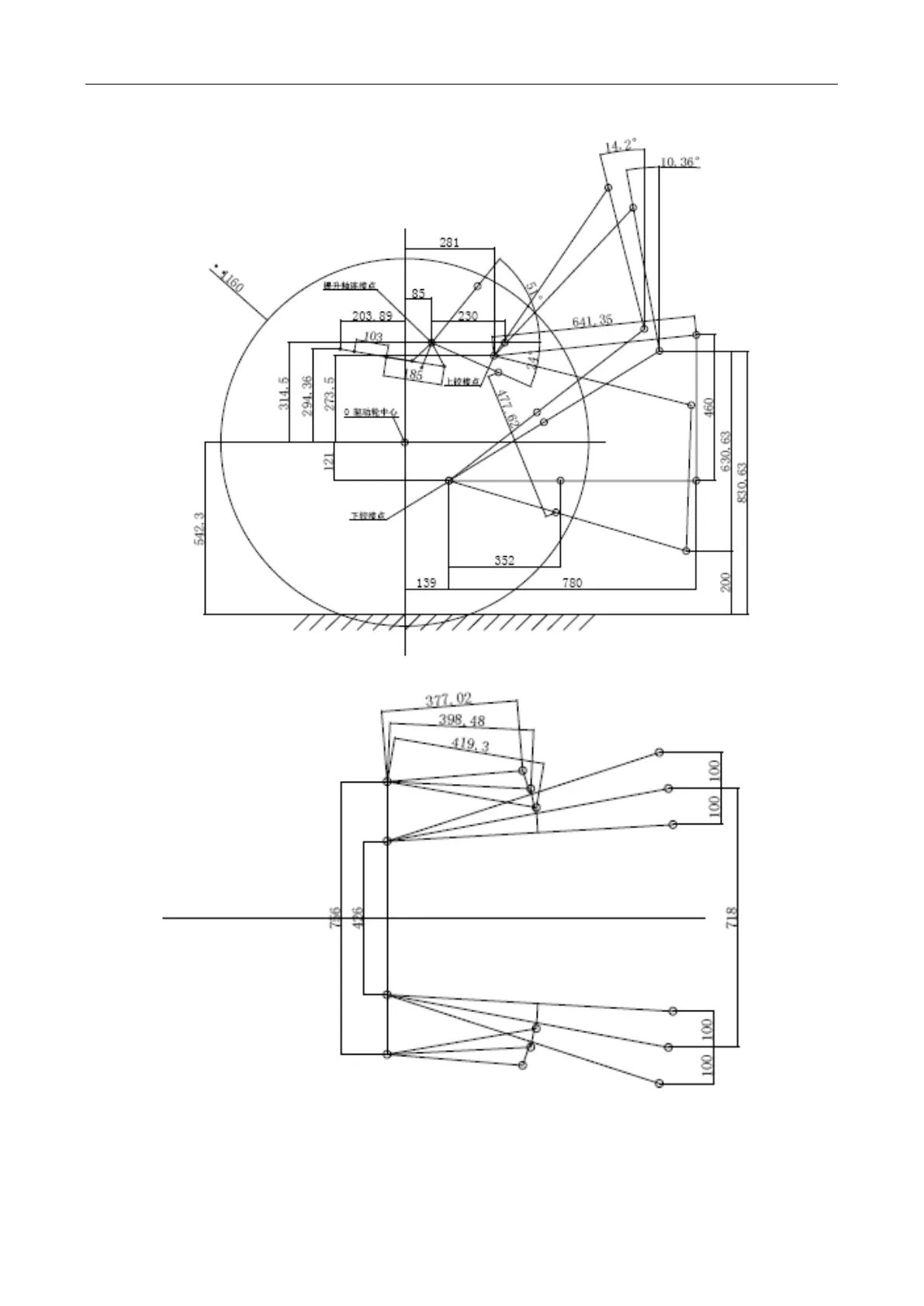
3.15.7 Dimensional Drawing of Suspension System [Unspecified dimension unit: mm]
Fig. 3-18 Dimensional Drawing of Suspension System
45

Table of Contents