EasyManua.ls Logo

LSIS XBF-AH04A - Page 87

LSIS XBF-AH04A
618 pages
Print Icon
To Next Page IconTo Next Page
To Next Page IconTo Next Page
To Previous Page IconTo Previous Page
To Previous Page IconTo Previous Page
Loading...
XGB Analog edition manual
3 - 10
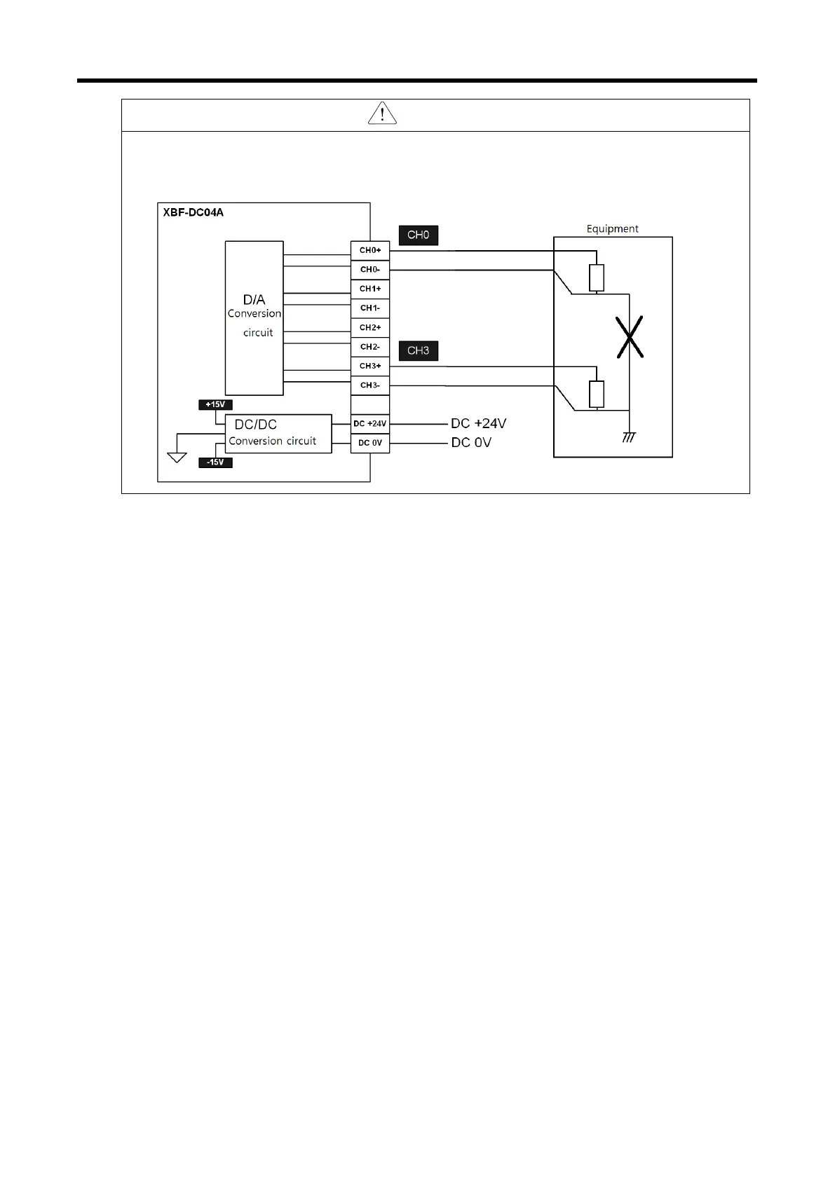
Caution
Current output module(XBF-DC04A) can not be connected with device which is grounded with common line.
Because it is not normal current output.

Table of Contents

Related product manuals