EasyManua.ls Logo

LSIS XBF-AH04A - Wiring

LSIS XBF-AH04A
618 pages
Print Icon
To Next Page IconTo Next Page
To Next Page IconTo Next Page
To Previous Page IconTo Previous Page
To Previous Page IconTo Previous Page
Loading...
Chapter 3 Analog Output Module (XBF-DV04A, XBF-DC04A, XBF-DC04B)
3 - 9
3.8 Wiring
3.8.1 Precautions for wiring
(1) Use separate cable of an A.C. power line and an external output signal of an analog output
module to prevent a surge or inductive noise from the A.C. side.
(2) Select the cable with consideration of an ambient temperature and a permitted current limit. It is
recommended over AWG22 (0.3).
(3) Dont let the cable at close range to hot devices or materials. And dont bring it into contact with
oil for a long time. These are the factors of a short circuit occurs unusual operation or damages
devices.
(4) Check the polarity before external power is supplied to the terminal.
(5) It may produce inductive hindrance that is a cause of unusual operations or defects if you wire
the cable with a high-voltage line or a power line.
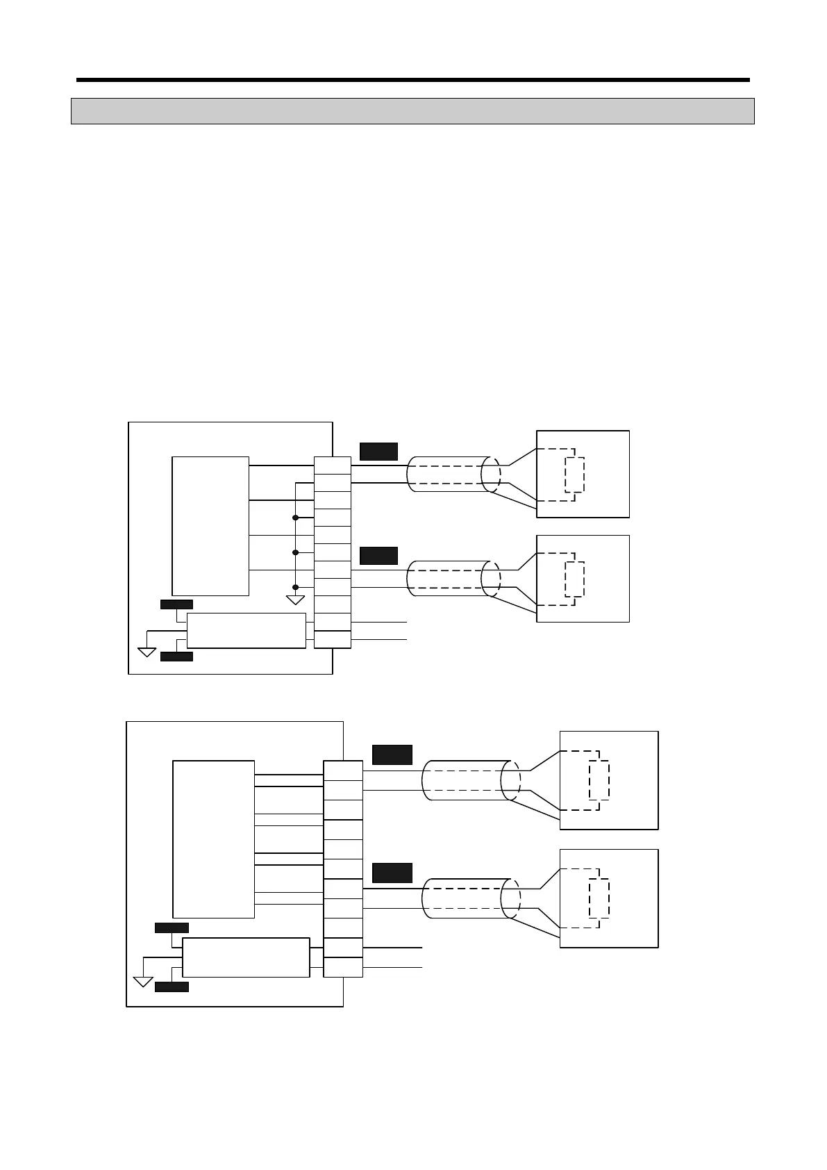
3.8.2 Wiring example
(1) Wiring example for analog voltage output module
(2) Wiring example for analog current output module
1: Use a 2-core twisted shielded wire.
2: The (-) terminals of the channel should be separated from each other. It may cause
malfunction.
D/A
Conversion
circuit
DC/DC
Conversion circuit
CH0+
CH0-
CH3+
CH3-
CH1+
CH1-
CH2+
CH2-
DC +24V
DC 0V
CH0
CH3
+15V
-15V
DC +24V
DC 0V
Over 2kΩ
Over 2kΩ
Motor driver etc.
Motor driver etc.
GND
GND
XBF-DV04A
1
1
D/A
Conversion
circuit
DC/DC
Conversion circuit
CH0+
CH0-
CH3+
CH3-
CH1+
CH1-
CH2+
CH2-
DC +24V
DC 0V
CH0
CH3
+15V
-15V
DC +24V
DC 0V
Under
510Ω
Under
510Ω
Motor driver etc.
Motor driver etc.
GND
GND
XBF-DC04A
1
1
2
2

Table of Contents

Related product manuals