EasyManua.ls Logo

MacDon R113 - Page 55

MacDon R113
86 pages
Print Icon
To Next Page IconTo Next Page
To Next Page IconTo Next Page
To Previous Page IconTo Previous Page
To Previous Page IconTo Previous Page
Loading...
214633 43 Revision C
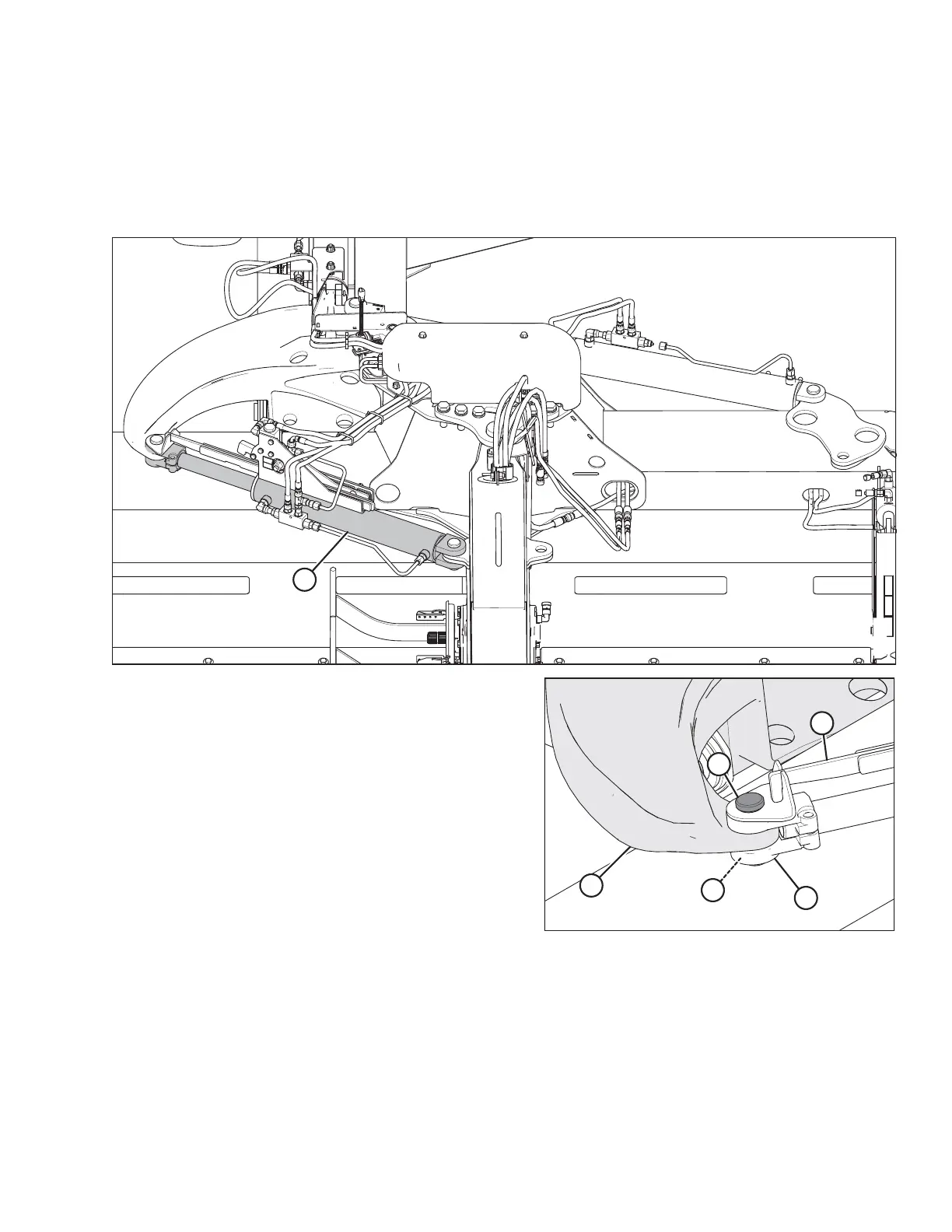
NOTE:
Ensure there is no contact with the rear link arm when the hitch swing cylinder extends.
2. With the cylinder disconnected from the rear arm link, using the tractors hydraulics, extend and retract swing
cylinder (A) several times to purge any air in the cylinder.
Figure 3.72: Hydraulic System
1022618
A
1014342
A
B
C
D
E
Figure 3.73: Rear Arm Link
3. Align the clevis pinholes in cylinder clevis (B), cam arm (C),
and rear link arm (A).
4. Install clevis pin (D) and secure with cotter pin (E) (not
shown).
INSTALLATION INSTRUCTIONS

Table of Contents

Other manuals for MacDon R113

Related product manuals