EasyManua.ls Logo

Manitowoc Grove YB5515 - Page 96

Manitowoc Grove YB5515
412 pages
Print Icon
To Next Page IconTo Next Page
To Next Page IconTo Next Page
To Previous Page IconTo Previous Page
To Previous Page IconTo Previous Page
Loading...
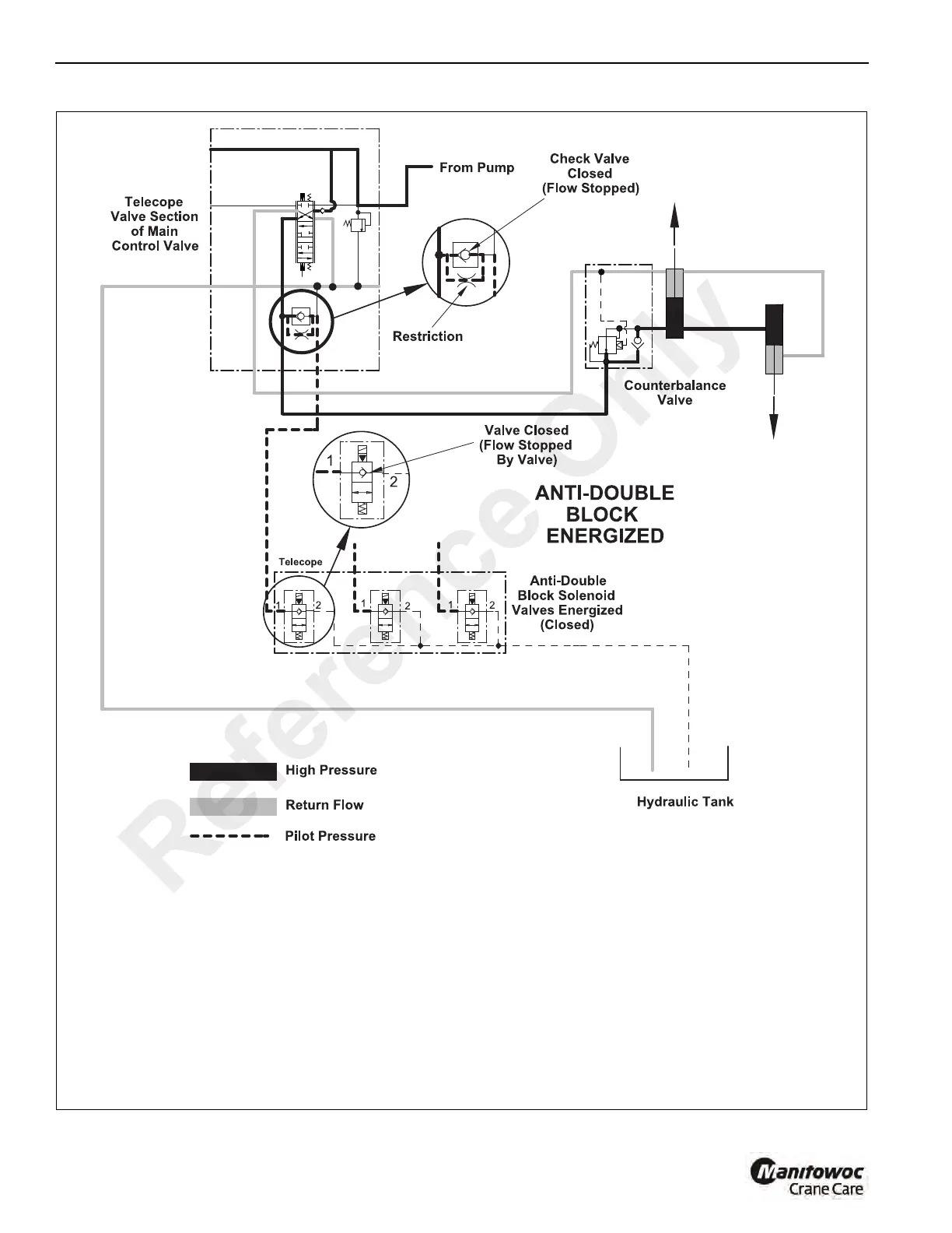
HYDRAULIC SYSTEM 5540F/YB5515 SERVICE MANUAL
4-32 Published 10-21-2010, Control# 198-04
A
B
Lift
Hoist
Telescope
Cylinders
FIGURE 4-34
a1589
Anti-Double Block Circuit - Closed
Reference Only

Table of Contents

Other manuals for Manitowoc Grove YB5515

Related product manuals