EasyManua.ls Logo

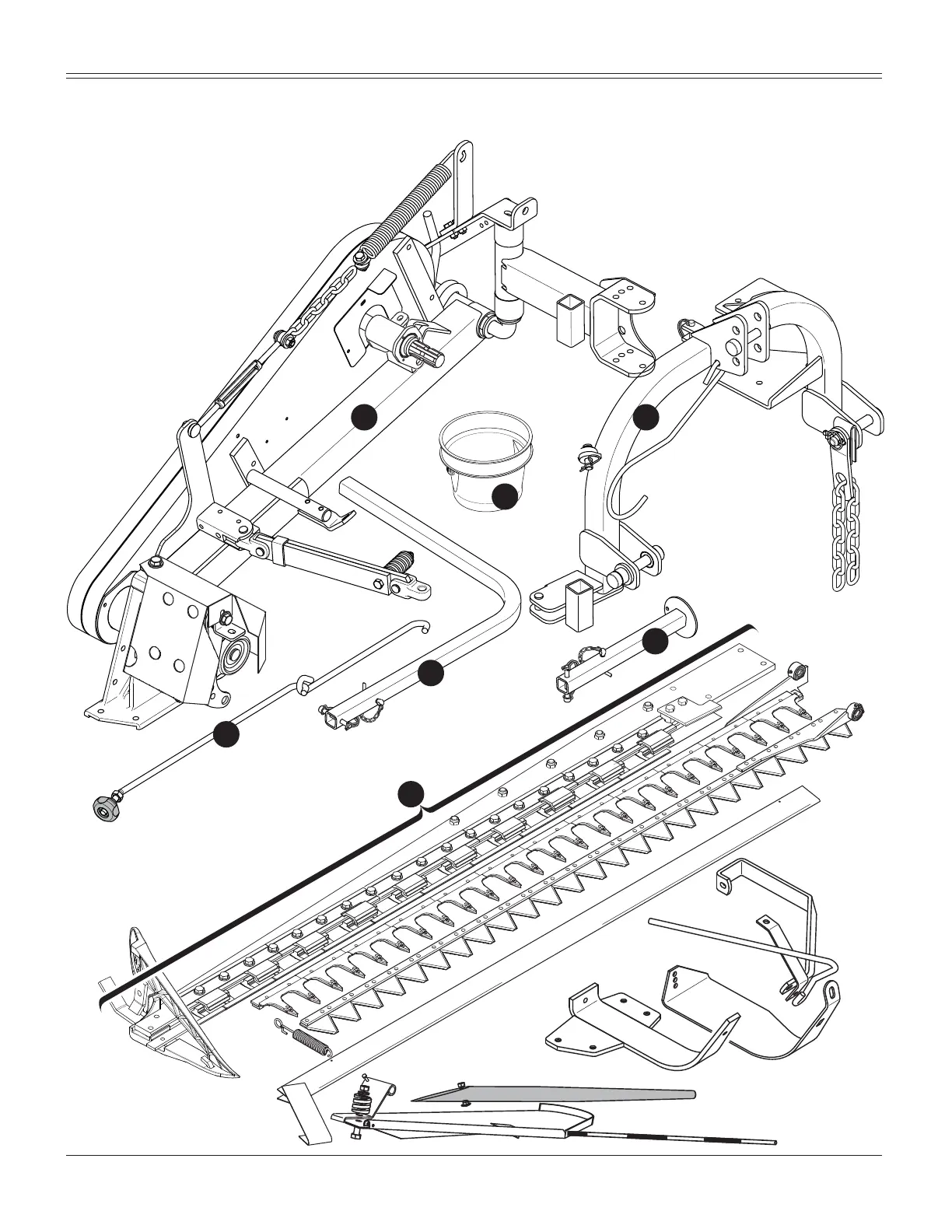
Maschio FIORE - ASSEMBLY; Sickle bar components

Default Icon
72 pages
Print Icon
To Next Page IconTo Next Page
To Next Page IconTo Next Page
To Previous Page IconTo Previous Page
To Previous Page IconTo Previous Page
Loading...
ASSEMBLY
44
cod. G19503950
3
3
2
4
1
5
7
6
Sickle bar components
1) THIRD POINT LINKAGE FRAME.
2) SIDE PROP.
3) POWER TAKE-OFF PLATE.
4) FRONT PLATE.
5) CUTTER BAR TIE-ROD.
6) REAR FRAME.
7) BLADE HOLDER.
8) MECHANICAL OR HYDRAULIC LIFT.

Table of Contents

Related product manuals