EasyManua.ls Logo

Mauldin 1860 - 1 Introduction; Machine Components

Mauldin 1860
52 pages
Print Icon
To Next Page IconTo Next Page
To Next Page IconTo Next Page
To Previous Page IconTo Previous Page
To Previous Page IconTo Previous Page
Loading...
1
Calder Brothers Corp
V 1.0
Serial Number Range:
874-S-86TCX5Y2*03874 to _____________
Model: 1860 Paver
1. Introduction
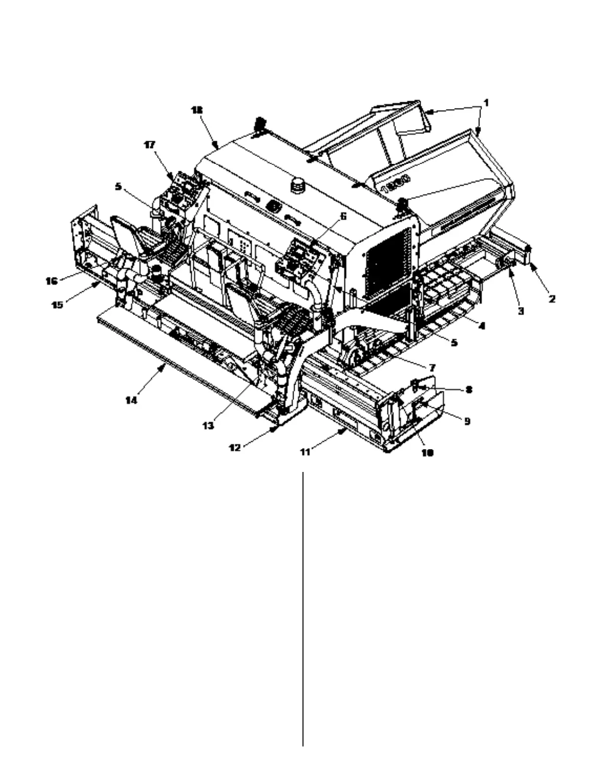
1.1 Machine Components
1. Hopper
2. Push Beam
3. Shipping Front Tie Down (Both Sides)
4. Tow Point Cylinder
5. Screed Lift Cylinder
6. Right Hand Control Panel
7. Shipping D-Ring
8. Sonic Sensor
9. Right Hand End Gate Angle Adjustment
10. Right Hand End Gate Depth Adjustment
11. Right Hand Extension
12. Main Screed
13. Right Hand Depth Adjustment
14. Walk Board
15. Left Hand Extension
16. Left Hand Depth Adjustment
17. Left Hand Control Panel
18. Engine Enclosure

Table of Contents