EasyManua.ls Logo

Maxon TE-15 - Electrical Schematic (Power Down)

Maxon TE-15
84 pages
Print Icon
To Next Page IconTo Next Page
To Next Page IconTo Next Page
To Previous Page IconTo Previous Page
To Previous Page IconTo Previous Page
Loading...
11921 Slauson Ave. Santa Fe Springs, CA. 90670 (800) 227-4116 FAX (888) 771-7713
77
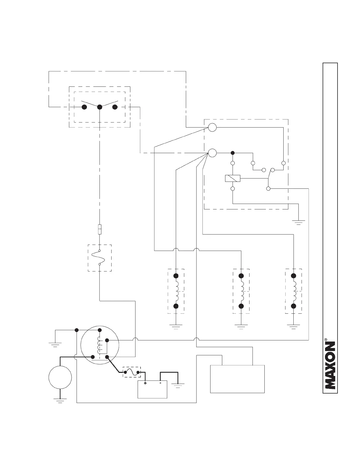
ELECTRICAL SCHEMATIC (POWER DOWN)
ELECTRICAL SYSTEM DIAGRAMS
FIG. 77-1
STARTER
SOLENOID
WHITE
WHITE
(CABLE)
BLACK
(CABLE)
BLACK
BLACK
GREEN
RED
1
2
1
3
342
5
K1
1
2
SOLENOID,
VALVE S2
SOLENOID,
VALVE S1
(DOWN)
(UP)
CONTROL SWITCH
POWER DOWN MODULE
BATTERY
MOTOR
FUSE HOLDER
WITH 10 AMP
FUSE
CYCLE COUNTER
(IF EQUIPPED)
12
CABLE WITH
175 A FUSE
BLACK
LOCK
VALVE
BLACK

Table of Contents

Other manuals for Maxon TE-15

Related product manuals