EasyManua.ls Logo

Mazda 6 Facelift 2005 - Power Window Main Switch

Mazda 6 Facelift 2005
274 pages
Print Icon
To Next Page IconTo Next Page
To Next Page IconTo Next Page
To Previous Page IconTo Previous Page
To Previous Page IconTo Previous Page
Loading...
Accessories Body & Accessories
Power Window Main Switch
M6FL_09005
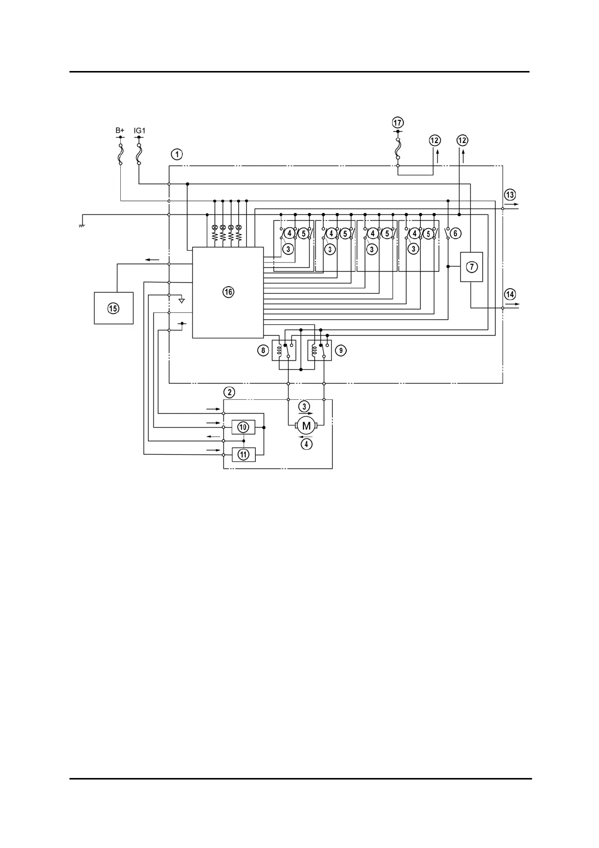
1
Power window main switch 10 Hall effect switch 1
2 Power window motor (driver’s side) 11 Hall effect switch 2
3 Close 12 To power mirror switch
4 Open 13 To power window subswitch A
5 Auto 14 To power window subswitch B
6 Power-cut switch 15 BCM
7 Conjunction circuit 16 P/W (Power Window) CM
8 Close relay 17 ACC (Accessory (position ignition
switch))
9 Open relay
09-10 Service Training Mazda6 Facelift

Table of Contents

Related product manuals