EasyManua.ls Logo

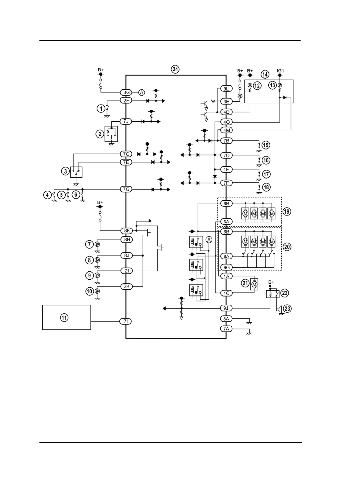
Mazda 6 Facelift 2005 - Keyless Entry System Wiring Diagram

Mazda 6 Facelift 2005
274 pages
Print Icon
To Next Page IconTo Next Page
To Next Page IconTo Next Page
To Previous Page IconTo Previous Page
To Previous Page IconTo Previous Page
Loading...
Accessories Body & Accessories
Keyless Entry System Wiring Diagram
M6FL_09025
09-46 Service Training Mazda6 Facelift

Table of Contents

Related product manuals