EasyManua.ls Logo

Mazda 6 Facelift 2005 - Fuel System; Parts Location

Mazda 6 Facelift 2005
274 pages
Print Icon
To Next Page IconTo Next Page
To Next Page IconTo Next Page
To Previous Page IconTo Previous Page
To Previous Page IconTo Previous Page
Loading...
Diesel Engines Engine
Fuel System
The fuel system of the vehicles with 2.0 MZR-CD engine has the following features:
Common rail located above the intake manifold has been introduced.
Solenoid valve-type injectors with injector correction factors have been introduced.
Injector driver module has been cancelled.
Injection amount learning function has been modified.
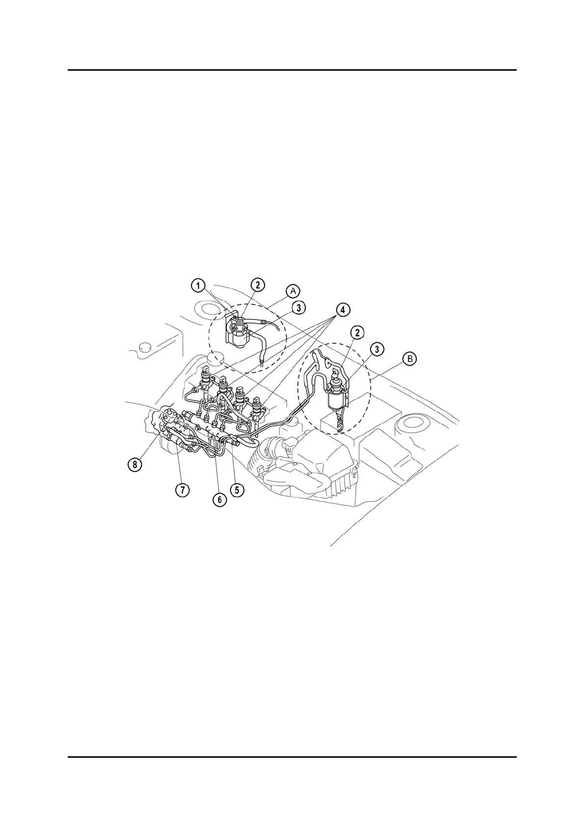
Parts Location
M6FL_01066
A LHD (Left Hand Drive) B RHD (Right Hand Drive)
1 Fuel warmer 5 Pressure limiter valve
2 Priming pump 6 Common rail
3 Fuel filter 7 Fuel metering valve
4 Fuel injectors 8 High-pressure pump
01-44 Service Training Mazda6 Facelift

Table of Contents

Related product manuals