EasyManua.ls Logo

Mazda 6 Facelift 2005 - Page 30

Mazda 6 Facelift 2005
274 pages
Print Icon
To Next Page IconTo Next Page
To Next Page IconTo Next Page
To Previous Page IconTo Previous Page
To Previous Page IconTo Previous Page
Loading...
Petrol Engines Engine
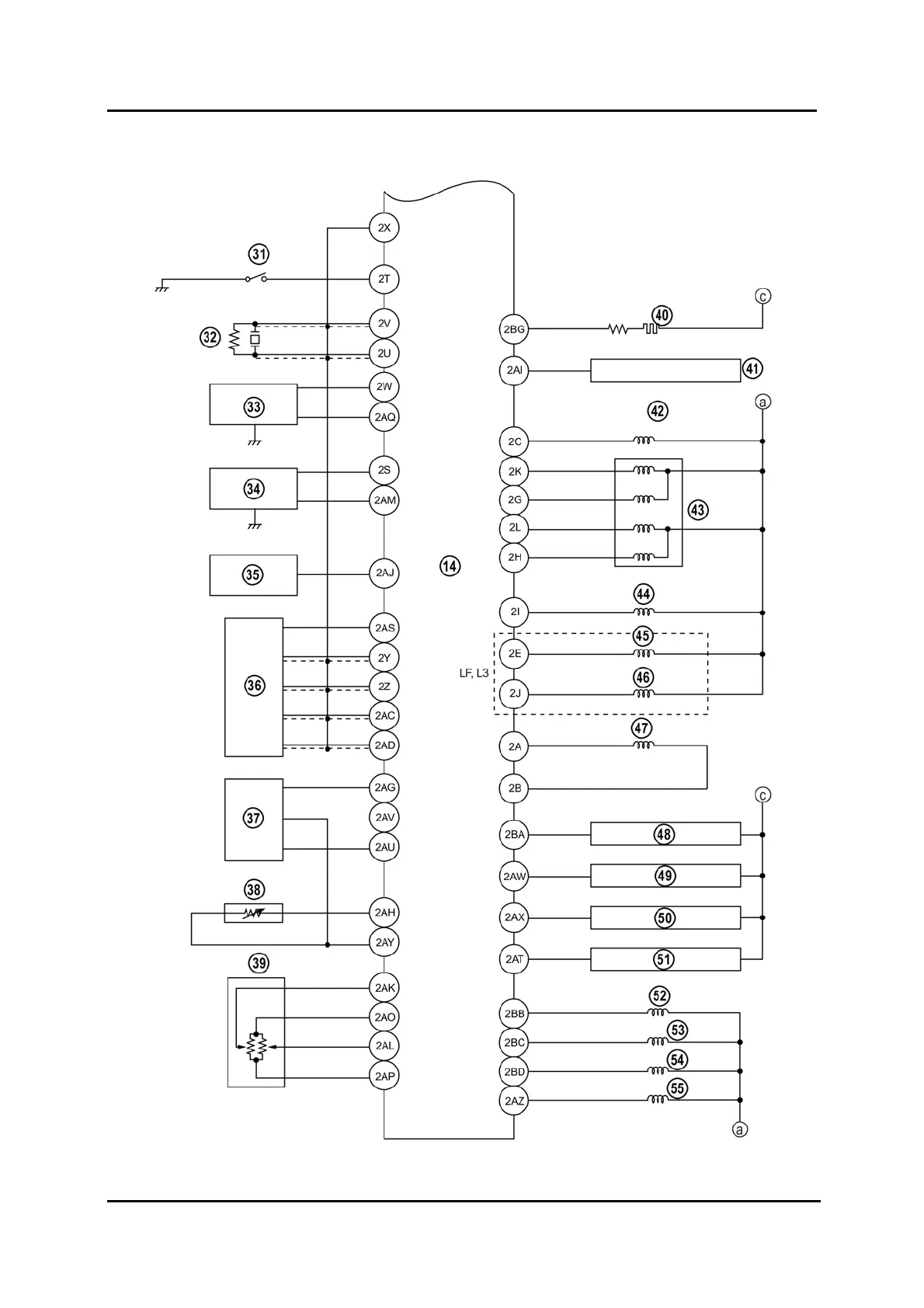
Wiring Diagram (Continued)
M6FL_01015
01-16 Service Training Mazda6 Facelift

Table of Contents

Related product manuals