EasyManua.ls Logo

Mazda 6 Facelift 2005 - Page 47

Mazda 6 Facelift 2005
274 pages
Print Icon
To Next Page IconTo Next Page
To Next Page IconTo Next Page
To Previous Page IconTo Previous Page
To Previous Page IconTo Previous Page
Loading...
Engine Diesel Engines
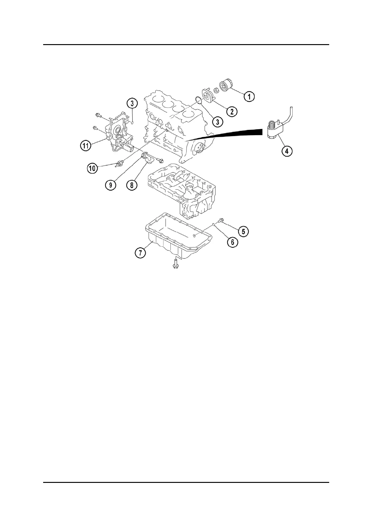
Parts Location
M6FL_01031
1 Oil filter 7 Oil pan
2 Oil cooler 8 Oil strainer
3 O-ring 9 Gasket
4 Oil jet valve 10 Oil pressure switch
5 Oil drain plug 11 Oil pump
6 Sealing washer
Service Training Mazda6 Facelift 01-33

Table of Contents

Related product manuals