EasyManua.ls Logo

MCCOY KT5500 - 2.0 EQUIPMENT DESCRIPTION

Default Icon
109 pages
Print Icon
To Next Page IconTo Next Page
To Next Page IconTo Next Page
To Previous Page IconTo Previous Page
To Previous Page IconTo Previous Page
Loading...
80-0420-23 POWER TONG
Manual № TM12012
Section 2
Page 2.3
©2008-2017 McCoy Global
Description & Specications
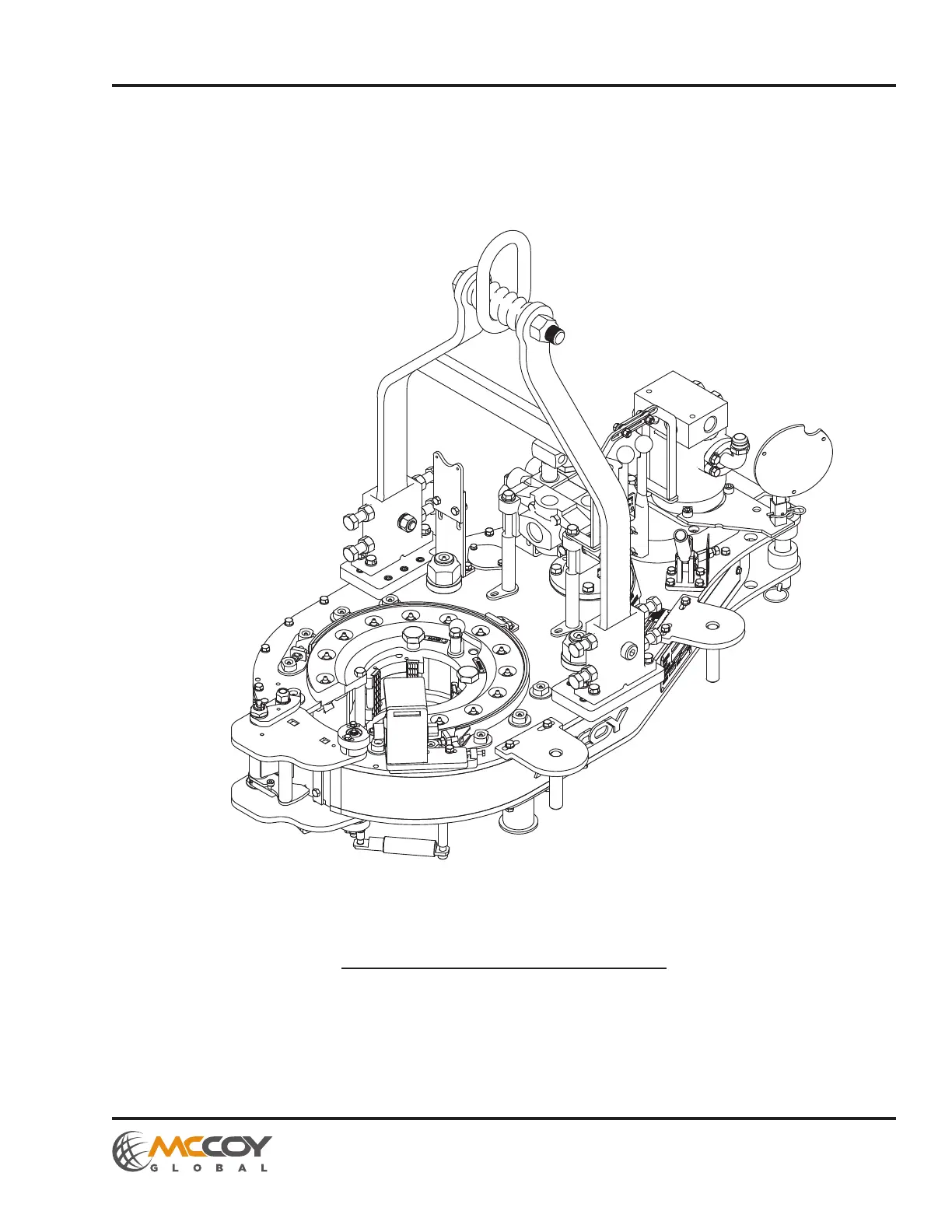
Illustration 2.0.1: 80-0420-23 KT5500 Power Tong
2.0 EQUIPMENT DESCRIPTION
The McCoy 80-0420-23 KT5500 is a hydraulically operated power tong capable of making up and breaking out tubular
connections of varying sizes at a wide range of torques (see Page 2.7 for equipment specifications).

Table of Contents