EasyManua.ls Logo

MCCOY KT5500 - 2.1 MAJOR COMPONENT IDENTIFICATION

Default Icon
109 pages
Print Icon
To Next Page IconTo Next Page
To Next Page IconTo Next Page
To Previous Page IconTo Previous Page
To Previous Page IconTo Previous Page
Loading...
80-0420-23 POWER TONG
Manual № TM12012
Section 2
Page 2.5
©2008-2017 McCoy Global
Description & Specications
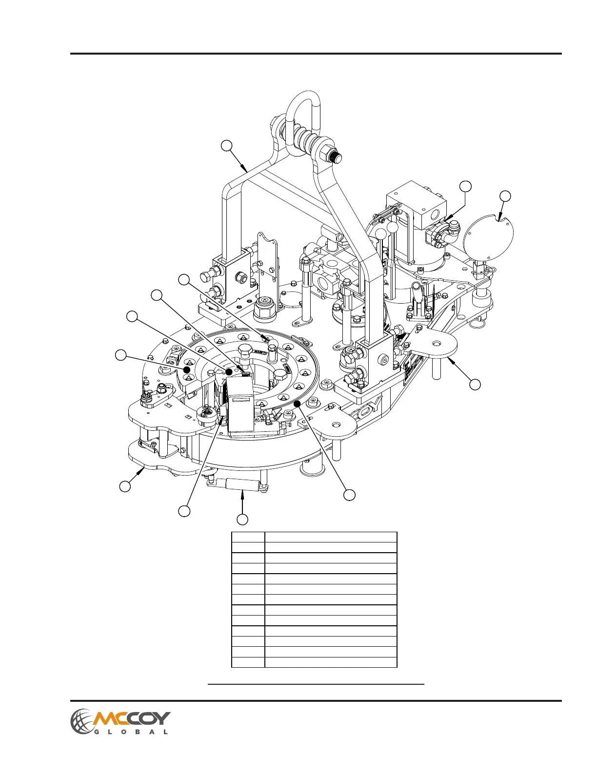
2.1 MAJOR COMPONENT IDENTIFICATION
Illustration 2.0.3: Major Component Identication 01
9
10
4
3
2
1
6
7
11
12
8
5
DESCRIPTIONITEM
CAGE PLATE ASSEMBLY
1
TONG JAW
2
JAW DIE
3
REVERSING PIN4
RIGID BAIL
5
TONG DOOR
6
DOOR CYLINDER7
TONG HANDLE
8
TORQUE GAUGE MOUNT
9
HYDRAULIC MOTOR
10
DOOR SWITCH
11
BRAKE BAND
12

Table of Contents