EasyManua.ls Logo

MCCOY KT5500 - 3.3 HYDRAULICS

Default Icon
109 pages
Print Icon
To Next Page IconTo Next Page
To Next Page IconTo Next Page
To Previous Page IconTo Previous Page
To Previous Page IconTo Previous Page
Loading...
80-0420-23 POWER TONG
Manual № TM12012
Section 3
Page 3.11
©2008-2017 McCoy Global
Installation & Commissioning
3.3 HYDRAULICS
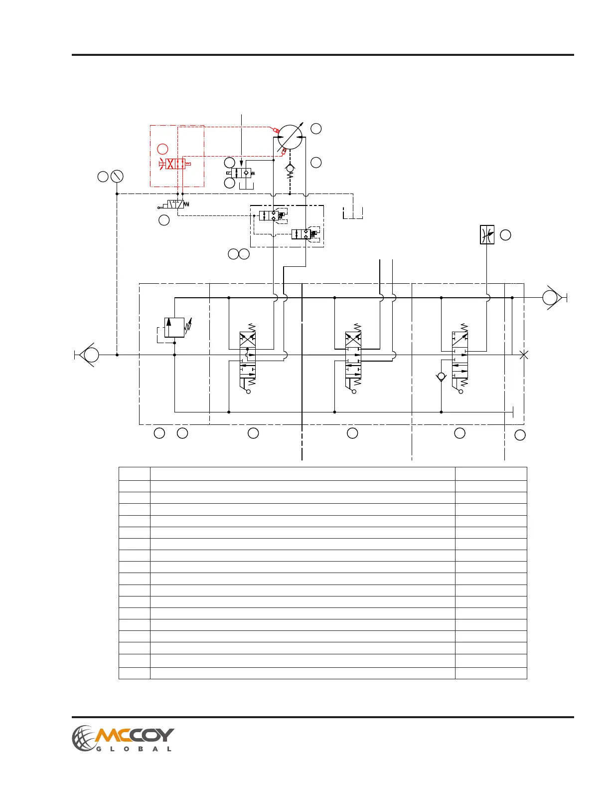
3.3.1 Hydraulic Schematic
Item Description Part Number
1 Inlet Valve DVA35-A880 w/2500 TO 3500 DVG35 HMRV CARTRIDGE 10-9016
2 Relief Valve, DVA35-MRV-1 10-0010R
3 Motor Section, DVA35-MA8, 4WAY SAE PORTS 10-9014
4 Lift Section, DVA-SA8, 1” ORB PORT (Optional) 10-9015
5 Backup Section, DVA35-DA8 4WAY SAE PORTS (Optional) 10-9019
6 Outlet Section, DVA35-TR99, SAE PORT 10-0086
6A Outlet Section - Closed Centre, DVA35-PB90, SAE PORT (Optional) 08-1825
7 Flow Control Valve, N800S (not shown) 08-9062
8 Single-Speed Hydraulic Motor 87-0112
9 Motor Speed Valve (Optional) 10-9024
10 Safety Door Switch 08-0337
11 Pilot-To-Operate Cartridge Valve 08-1625
12 Safety Door Valve Block 101-0727
13 Check Valve (Optional) 02-9022
14 Dump Valve (Optional) 08-9284
15 Dump Valve Body (Optional) 08-9283
16 3000 PSI Pressure Gauge 02-0245
1 2 3
4
7
P
T
5
OPTIONAL
OPTIONAL
BACKUP
LIFT
MAKE
UP
14
15
2
1
DUMP VALVE
(OPTIONAL)
16
TONG MOTOR
13
8
9
10
11 12
G
2 4
1
3
T
P
MOTOR SPEED SWITCH
(OPTIONAL - USED
WITH 2-SPEED MOTOR)
(OPTIONAL TWO
SPEED SHOWN)
6A

Table of Contents