EasyManua.ls Logo

mectron COMPACT PIEZO LED - Installation and Technical Data; Technical Data

mectron COMPACT PIEZO LED
44 pages
Print Icon
To Next Page IconTo Next Page
To Next Page IconTo Next Page
To Previous Page IconTo Previous Page
To Previous Page IconTo Previous Page
Loading...
21
INSTALLATION
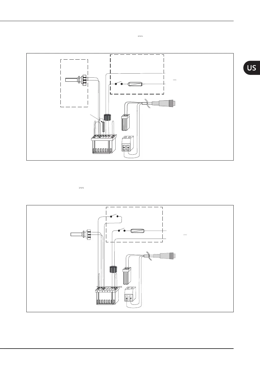
4.3.8.5 LayoutE
Thepowersupply (24V~50/60 Hz±10%or 32V ±10%) andconsentare providedbythe
pedal.
Thepowerisregulatedbya4.7KΩlinearpotentiometer(see
Figure9apagina21
).
9 16
8 7 6 5 4 3 2 1
Fuse holder, fuse and pedal
are not included in the
Mectron supply
Pedal
T 2 A
Fuse
Yellow
Yellow
4,7 KΩ linear
potentiometer
The
potentiometer is
not included in
the supply
Black
Red
White
White
Scaler handpiece cord
Power supply
24 V
~
50/60 Hz or
32 V
Minimum 40VA
Ferrite*
39 kOhm 1/8 W 1%
resistance
Grey
Purple
1212
Figure9 – Layout E
4.3.8.6 LayoutF
The power supply (32 V ±10%)isprovidedbycontactwiththeinstrumenttrayandpositive
consentisprovidedbythepedal.Thepowerisregulatedbya2.2KΩlinearpotentiometer(see
Figure10apagina21).
Power supply
32 V
Minimum 40VA
Blue
Blue
2,2 kOhm
linear potentiometer
Black
Red
Scaler handpiece cord
Black
Red
T 2 A
Pedal
Fuse
Instrument tray
Yellow
Yellow
Fuse holder, fuse and pedal
are not included in the
Mectron supply
Ferrite*
Grey
Purple
12
Figure10 – LayoutF

Other manuals for mectron COMPACT PIEZO LED

Related product manuals