EasyManua.ls Logo

Mega Technopool pH-Rx - 4 Snelle Programmering; Keuze Van de Taal Van Het Systeem; Instellen Van de Temperatuur

Mega Technopool pH-Rx
64 pages
Print Icon
To Next Page IconTo Next Page
To Next Page IconTo Next Page
To Previous Page IconTo Previous Page
To Previous Page IconTo Previous Page
Loading...
TECHNOPOOL3 SNELLE PROGRAMMERING
Doseersysteem voor zwembaden NEDERLANDS
ADSP7000716 rev. 1.0 25/01/2017 55/64
4 SNELLE PROGRAMMERING
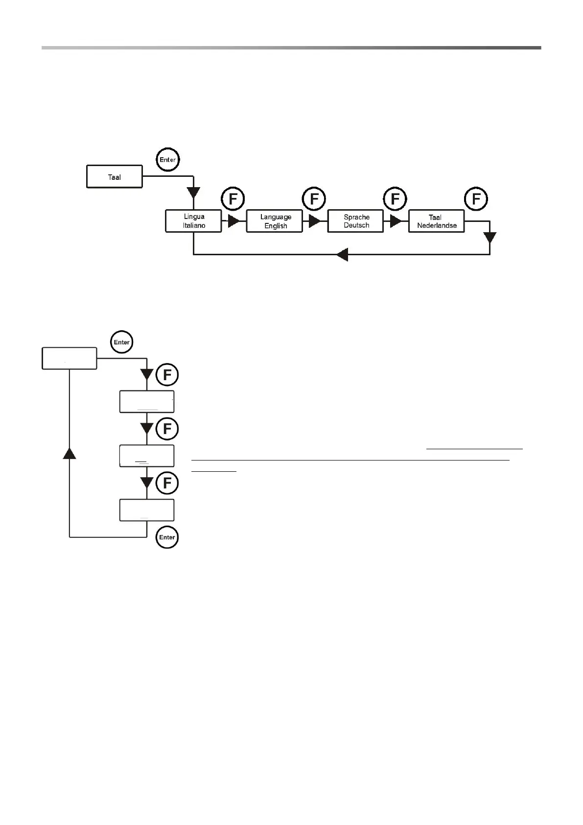
4.1 Keuze van de taal van het systeem.
Selecteer Taal in het installateurmenu.
Om te bevestigen en af te sluiten moet de toets Enter drie seconden worden ingedrukt.
4.2 Instellen van de temperatuur
Selecteer Temperatuur in het installateurmenu.
Temp.modus
Hier wordt getoond hoe de temperatuur wordt geregeld: handmatig, PT100
(automatisch met PT100 sensor) of OFF (uitgeschakeld).
Met de toetsen ▼▲wordt de modus geselecteerd en door kort op de toets Enter
te drukken, wordt de gewenste keuze bevestigd.
PT100 offset (alleen als de temperatuurmodus op PT100 is ingesteld)
Met deze parameter kan de weergave van de temperatuur worden aangepast.
Voor weergave van de gewenste waarde kan de gemeten temperatuur worden
toegevoegd aan of afgetrokken van de offset-waarde. Deze parameter wordt
niet meegenomen in de berekening van de dosering, maar alleen voor de
weergave.
Met de toetsen ▼▲kan de gewenste waarde worden ingesteld en vervolgens
kan deze met de toets Enter worden bevestigd.
De waardes kunnen worden ingesteld van -5.0 tot 10.0.
Temp. Handm. (alleen als de temp.modus op Handmatig is ingesteld)
De temperatuur van het zwembadwater invoeren.
Met de toetsen ▼▲kan de gewenste waarde worden ingesteld en vervolgens
kan deze met de toets Enter worden bevestigd.
De waardes kunnen worden ingesteld van 0 tot 100° C.
Om te bevestigen en af te sluiten moet de toets Enter drie seconden worden ingedrukt.
Temperatuur
Temp.mod.
PT100
Offset PT100
0.0°C
Temperatuur
Handm. 25°C

Table of Contents