EasyManua.ls Logo

Megger frax 101 - Page 78

Megger frax 101
88 pages
Print Icon
To Next Page IconTo Next Page
To Next Page IconTo Next Page
To Previous Page IconTo Previous Page
To Previous Page IconTo Previous Page
Loading...
74
FRAX User's Manual
© 2011 Megger Sweden AB
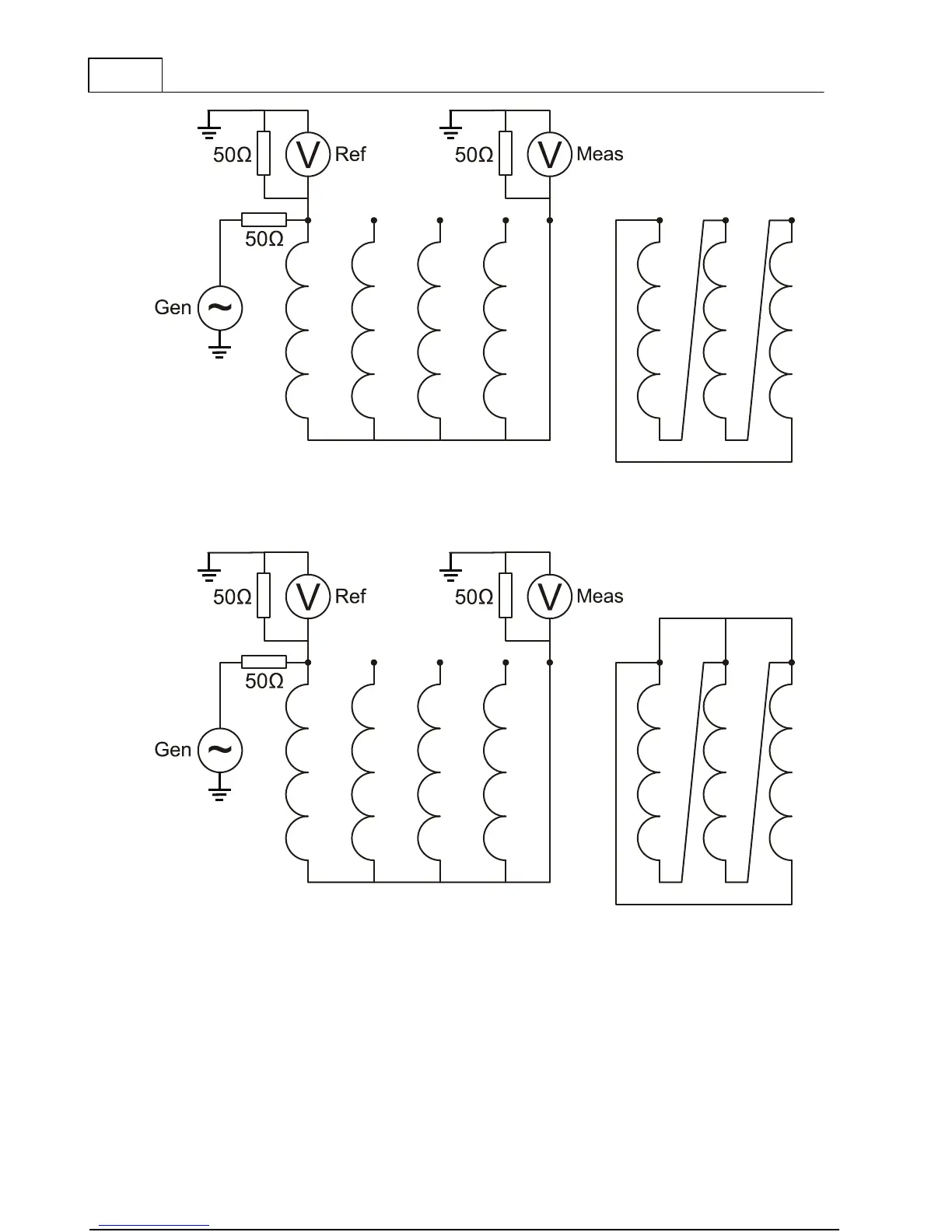
1) In the “En-to-End Open” (Open Circuit Self Admittance, OC) the signal is applied to one end
of each winding in turn, and the transmitted signal is measured at the other end. The low-
frequency range of this test is basically a low voltage measurement of the voltage dependent
single phase excitation current.
2) The “End-to-End Short-Circuit (Short Circuit Self Admittance, SC) is measured as the “End-
to-End Open” measurement but with one or more windings shorted. The low-frequency range
of this test is basically a low voltage measurement of the single phase impedance.

Related product manuals