EasyManua.ls Logo

Midea MV6-252WV2GN1 - Page 25

Midea MV6-252WV2GN1
137 pages
Print Icon
To Next Page IconTo Next Page
To Next Page IconTo Next Page
To Previous Page IconTo Previous Page
To Previous Page IconTo Previous Page
Loading...
V6 VRF 50/60Hz
24
Midea V6 Series Service Manual
14/16HP
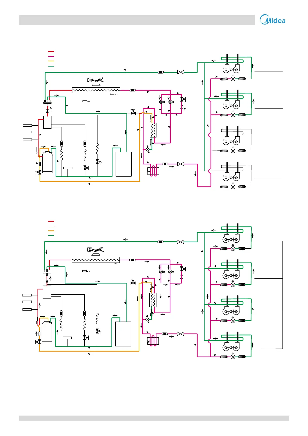
Cooling operation
Figure 2-3.5: 14/16HP refrigerant flow during cooling operation
Oil return operation in cooling mode
Figure 2-3.6: 14/16HP refrigerant flow during oil return operation in cooling mode
SV7
7
1
15
12
9
3
2
4
5
6
11
10
14
13
EXVC
E
S
C
T3
T4
T6B
T7C1
T7C2
T6A
SV8A
SV4
SV5
High temperature, high pressure gas
High temperature, high pressure liquid
Medium temperature, medium pressure gas
Low temperature, low pressure
EXV
A
EXVB
8
8
SV6
Closed
Filter
Filter
Closed
Unit on
Thermostat off
Unit on
Thermostat on
Unit on
Thermostat on
Unit off
Filter
Indoor unit operation
Filter
Normal control
Filter
Filter
Normal control
Filter
Filter
Fan
on
Fan
off
Fan
on
Fan
on
SV7
EXVA
EXVB
8
8
S
V6
7
1
15
12
9
3
2
4
5
6
11
10
14
13
High tempe
ratu
re, high pr
essure
gas
High
temper
atur
e, high pressur
e liquid
Medium tempe
ratu
re, medium pr
essu
re
gas
L
ow tempe
ratu
re, lo
w pressu
re
EXVC
E
S
C
T3
T4
T6B
T7C1
T7C2
T6A
SV8A
SV4
SV5
300 steps
Filter
Fil
ter
300 steps
Unit on
Thermosta
t off
Unit on
Thermostat on
Unit on
Thermostat on
Unit off
Filter
Indoor unit ope
ra
tion
Filter
Normal c
ontr
ol
Filter
Filter
Normal
contr
ol
Filter
Filter
Fan
on
Fan
off
F
an
on
Fan
on
16
16

Table of Contents

Related product manuals