EasyManua.ls Logo

Midea MV6-252WV2GN1 - Page 29

Midea MV6-252WV2GN1
137 pages
Print Icon
To Next Page IconTo Next Page
To Next Page IconTo Next Page
To Previous Page IconTo Previous Page
To Previous Page IconTo Previous Page
Loading...
V6 VRF 50/60Hz
28
Midea V6 Series Service Manual
24/26/28HP
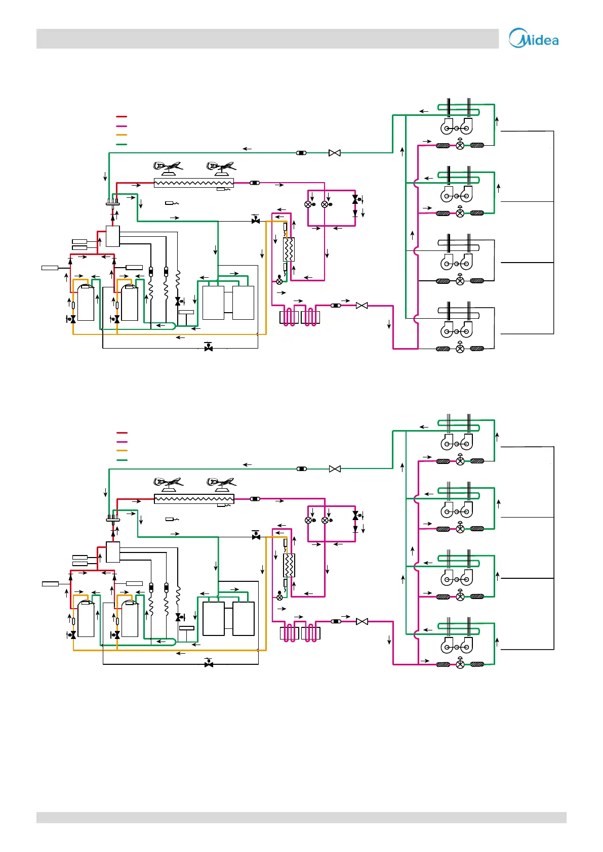
Cooling operation
Figure 2-3.13: 24/26/28HP refrigerant flow during cooling operation
Oil return operation in cooling mode
Figure 2-3.14: 24/26/28HP refrigerant flow during oil return operation in cooling mode
16
15
15
7
1
1
12
9
3
4
5
6
11
11
10 10
14
8
8
8
13
EXVB
EXVA
EXVC
E
S
C
T3
T4
2
T7C1
T7C2
T6B
T6A
SV8A
SV8B
SV9
SV4
SV5
SV6
2
High temperature, high pressure gas
High temperature, high pressure liquid
Medium temperature, medium pressure gas
Low temperature, low pressure
Closed
Filter
Filter
Closed
Unit on
Thermostat off
Unit on
Thermostat on
Unit on
Thermostat on
Unit off
Filter
Indoor unit operation
Filter
Normal control
Filter
Filter
Normal control
Filter
Filter
Fan
on
Fan
off
Fan
on
Fan
on
16
300 steps
Filt
er
Filter
300
step
s
Unit on
Thermost
at off
Unit on
Thermo
sta
t on
Unit on
Thermostat on
Unit off
Filt
er
Indoor unit operation
Filter
Normal control
Filter
Filter
Normal con
trol
Filter
Filter
Fan
on
Fan
off
Fan
on
Fan
on
15
15
7
1
1
12
9
3
4
5
6
11
11
10 10
14
8
8
8
13
EXVB
EXV
A
EXV
C
E
S
C
T3
T4
2
T7C1
T7C2
T6B
T6A
SV8A
SV8B
SV9
SV4
SV5
SV6
2
High temperature, high pressure gas
High temperature, high pressure liquid
Medium temperature, medium pressur
e gas
Low temperature, low pressure

Table of Contents

Related product manuals