EasyManua.ls Logo

Midea MV6-252WV2GN1 - Page 31

Midea MV6-252WV2GN1
137 pages
Print Icon
To Next Page IconTo Next Page
To Next Page IconTo Next Page
To Previous Page IconTo Previous Page
To Previous Page IconTo Previous Page
Loading...
V6 VRF 50/60Hz
30
Midea V6 Series Service Manual
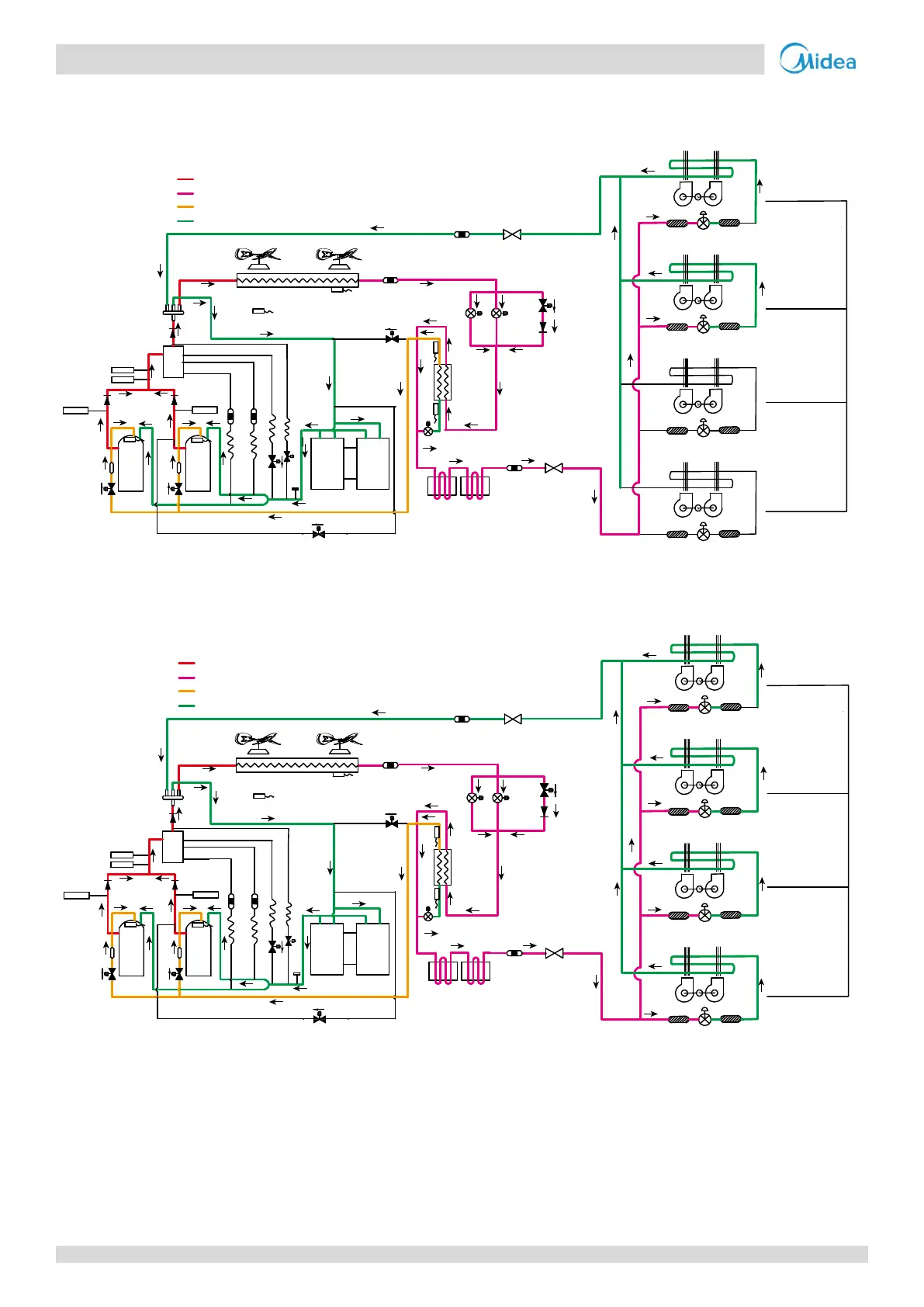
30/32HP
Cooling operation
Figure 2-3.17: 30/32HP refrigerant flow during cooling operation
Oil return operation in cooling mode
Figure 2-3.18: 30/32HP refrigerant flow during oil return operation in cooling mode
16
15
15
7
1
1
12
3
4
5
6
11
11
10 10
14
8
8
8
13
EXVB
EXVA
EX
VC
E
S
C
T3
T4
2
T7C1
T7C2
T6B
T6A
SV8A
SV8B
SV9
SV4
SV5
SV6
2
High temperature, high pressure gas
High temperature, high pressure liquid
Medium temperature, medium pressure gas
Low temperature, low pressure
Closed
Filter
Filter
Closed
Unit on
Thermostat off
Unit on
Thermostat on
Unit on
Thermostat on
Unit off
Filter
Indoor unit operation
Filter
Normal control
Filter
Filter
Normal control
Filter
Filter
Fan
on
Fan
off
Fan
on
Fan
on
9
S
V7
16
300 steps
Filter
Filter
300 ste
ps
Unit on
Thermos
tat off
Unit on
Thermo
sta
t on
Unit on
Thermos
tat on
Unit off
Filter
Indoor unit operation
Filter
Normal co
ntr
ol
Filt
er
Filter
Normal control
Filter
Filter
Fan
on
Fan
off
Fan
on
Fan
on
15
15
7
1
1
12
3
4
5
6
11
11
10 10
14
8
8
8
13
EXVB
EX
VA
EXVC
E
S
C
T3
T4
2
T7C1
T7C2
T6B
T6A
SV8A
SV8B
SV9
SV4
SV5
S
V6
2
High
temper
ature, high p
ressure gas
High temperature, high pressur
e liquid
Medium temperature, medium pressure gas
Low temperature, low pressure
9
SV7

Table of Contents

Related product manuals