EasyManua.ls Logo

Miele W1113 - Water Intake

Miele W1113
88 pages
Print Icon
To Next Page IconTo Next Page
To Next Page IconTo Next Page
To Previous Page IconTo Previous Page
To Previous Page IconTo Previous Page
Loading...
Technical Information
27
W1113, W1119, W1203, W1213 & W1215 Clothes Washers
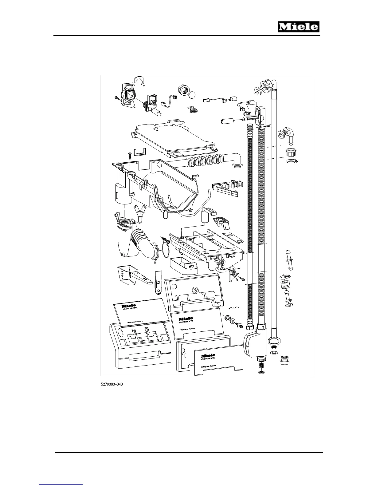
040 Water Intake

Table of Contents

Other manuals for Miele W1113

Related product manuals