EasyManua.ls Logo

Miller Welder - Section 7 − Electrical Diagrams

Miller Welder
44 pages
Print Icon
To Next Page IconTo Next Page
To Next Page IconTo Next Page
To Previous Page IconTo Previous Page
To Previous Page IconTo Previous Page
Loading...
OM-245 849 Page 19
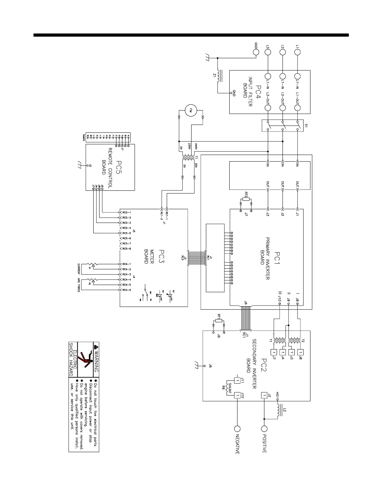
SECTION 7 − ELECTRICAL DIAGRAMS
956 142 663-A
Figure 7-1. Circuit Diagram

Table of Contents

Related product manuals