EasyManua.ls Logo

Mitsubishi Electric MELFA RV-2SDB Series - Page 120

Mitsubishi Electric MELFA RV-2SDB Series
186 pages
To Next Page IconTo Next Page
To Next Page IconTo Next Page
To Previous Page IconTo Previous Page
To Previous Page IconTo Previous Page
Loading...
Dimensions Annex
A - 6
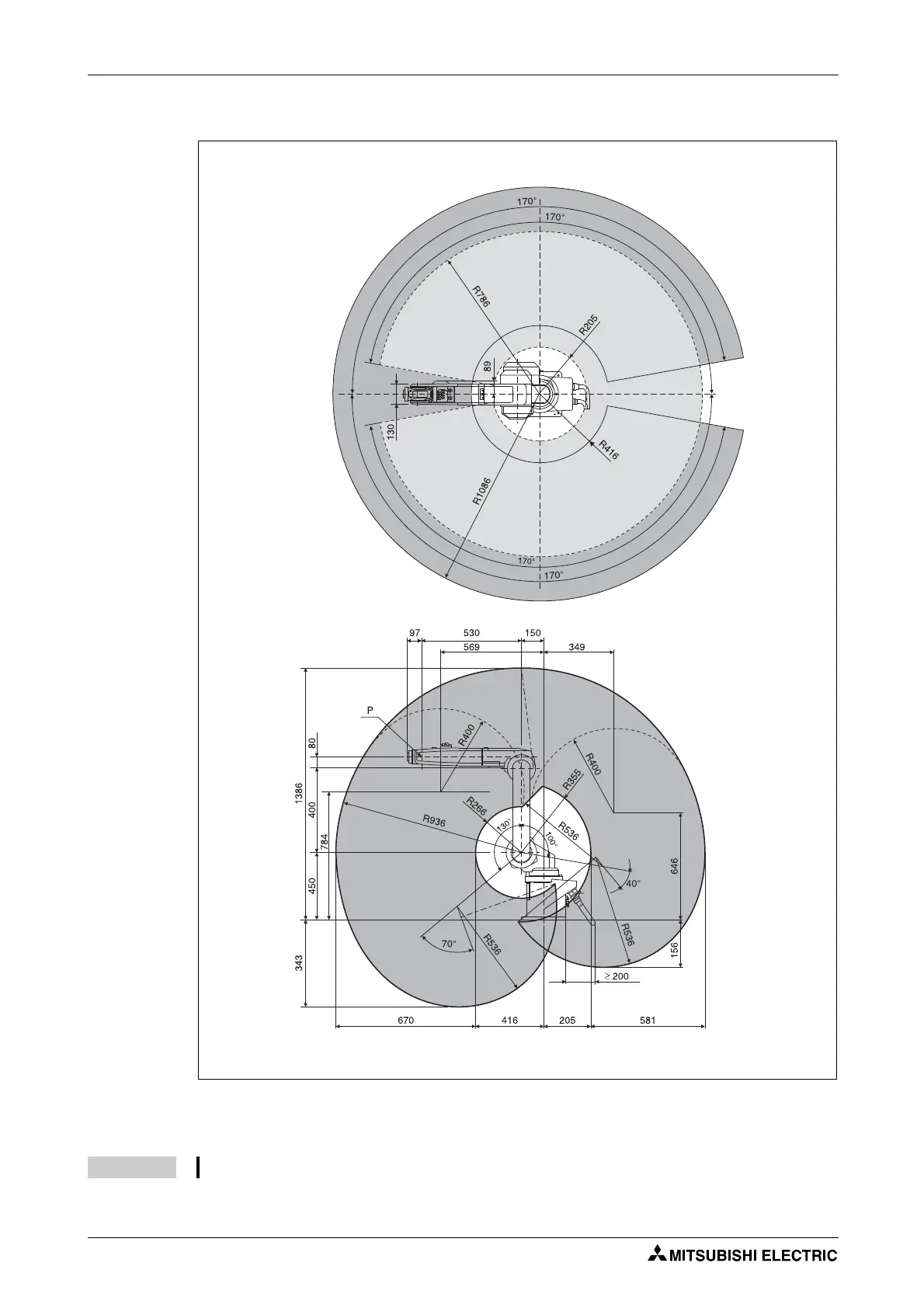
The following figure shows the range of motion of robot arms RV-12SD and RV-12SQ.
R001150E
Fig. A-6:
Range of motion of robot arms RV-12SD
and RV-12SQ
NOTE
The working area stipulated refers to the P point of the robot arm without gripper hand.
Weight: approx. 93 kg
All dimensions in mm

Table of Contents

Related product manuals