EasyManua.ls Logo

Mitsubishi Lancer Evolution IX 2005 - Page 46

Mitsubishi Lancer Evolution IX 2005
229 pages
Print Icon
To Next Page IconTo Next Page
To Next Page IconTo Next Page
To Previous Page IconTo Previous Page
To Previous Page IconTo Previous Page
Loading...
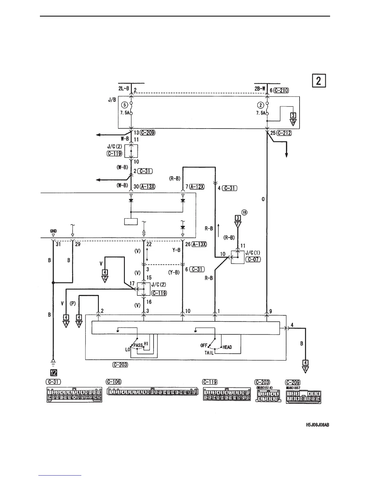
CIRCUIT DIAGRAMS - LIGHTING
3-43
Ignition
switch (IG2)
Ignition
switch (IG1)
Intercooler
water spray
•Manual A/C
Full auto A/C
Full auto A/C
•Manual A/C
Cooling
Generic
fuse
J/B
(
)
ABS
ACD, AYC
ACD (vehicle w/out AYC)
SRS airbags, seatbelt pre-
tensioners
Intercooler water spray
•Windscreen washer / wiper
•Warning lights
Engine control
Needle meters
Charging
•Electric stowable remote
control door mirrors
•Generic spare connector
•Cabin lights, boot
compartment lights, ignition
key cylinder illumination light,
door ajar indicator light
Dimmer
passing
switch
Column switch
(
)
Lighting
switch
()
Power
supply

Table of Contents

Related product manuals