EasyManua.ls Logo

Mitsubishi M800S series

Mitsubishi M800S series
648 pages
To Next Page IconTo Next Page
To Next Page IconTo Next Page
To Previous Page IconTo Previous Page
To Previous Page IconTo Previous Page
Loading...
M800S/M80/E80 Series Connection and Setup Manual
4 General Specifications
137
IB-1501269-J
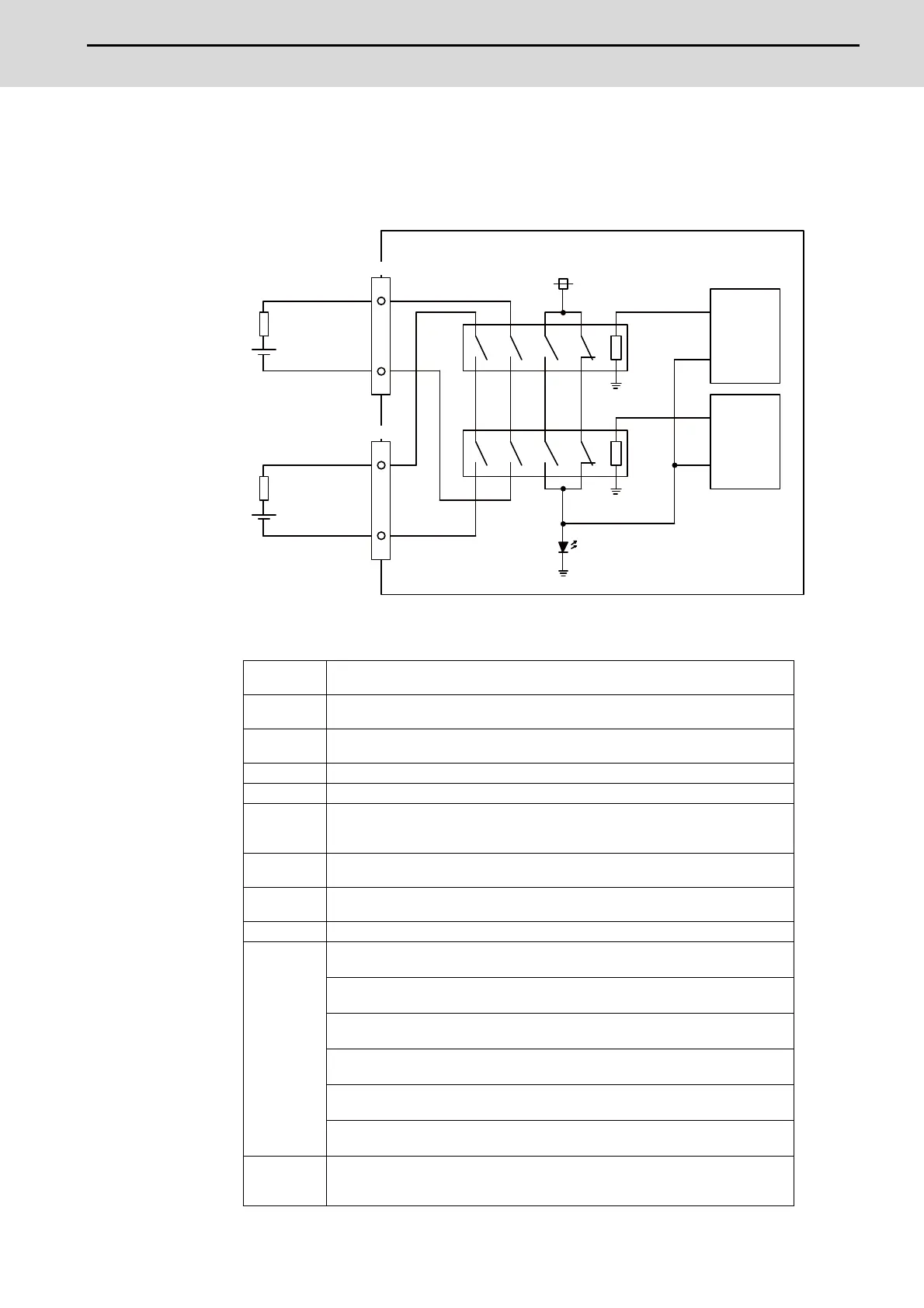
(a) Outline of digital signal output circuit
Use within the specification ranges shown below.
Output circuit
Output conditions
Insulation
method
Insulated by relay
Output
method
Non-voltage A contact
Contact
structure
Forced guide style relay
Rated voltage 250VAC, 125VDC
Rated current 6A
Min.
applicable
load
1mA, 5VDC
Operation
time
20ms or less (contact bounce not included)
Response
time
8ms or less (contact bounce not included)
Return time 20ms or less (contact bounce not included)
Life
100,000 times or more with 250VAC 6A resistant load (opening/closing frequency: 20
times/min)
100,000 times or more with 30VDC 6A resistant load (opening/closing frequency: 20
times/min)
500,000 times or more with 250VAC 1A resistant load (opening/closing frequency: 30
times/min)
500,000 times or more with 30VDC 1A resistant load (opening/closing frequency: 30
times/min)
100,000 times or more with 15AC:240VAC 2A induction load (opening/closing
frequency: 20 times/min, cosφ=0.3)
100,000 times or more with 13DC:24VDC 1A induction load (opening/closing
frequency: 20 times/min, L/R=48ms)
Max.
operation
frequency
20 times/min
SYR00A
|
SYR03A
SYR00B
|
SYR03B
SYR00A
|
SYR03A
SYR00B
|
SYR03B
SDO1
SDO2
Load
Load
Welding check LED
Relay feedback
24VDC
Control
circuit
Control
circuit

Table of Contents

Related product manuals