EasyManua.ls Logo

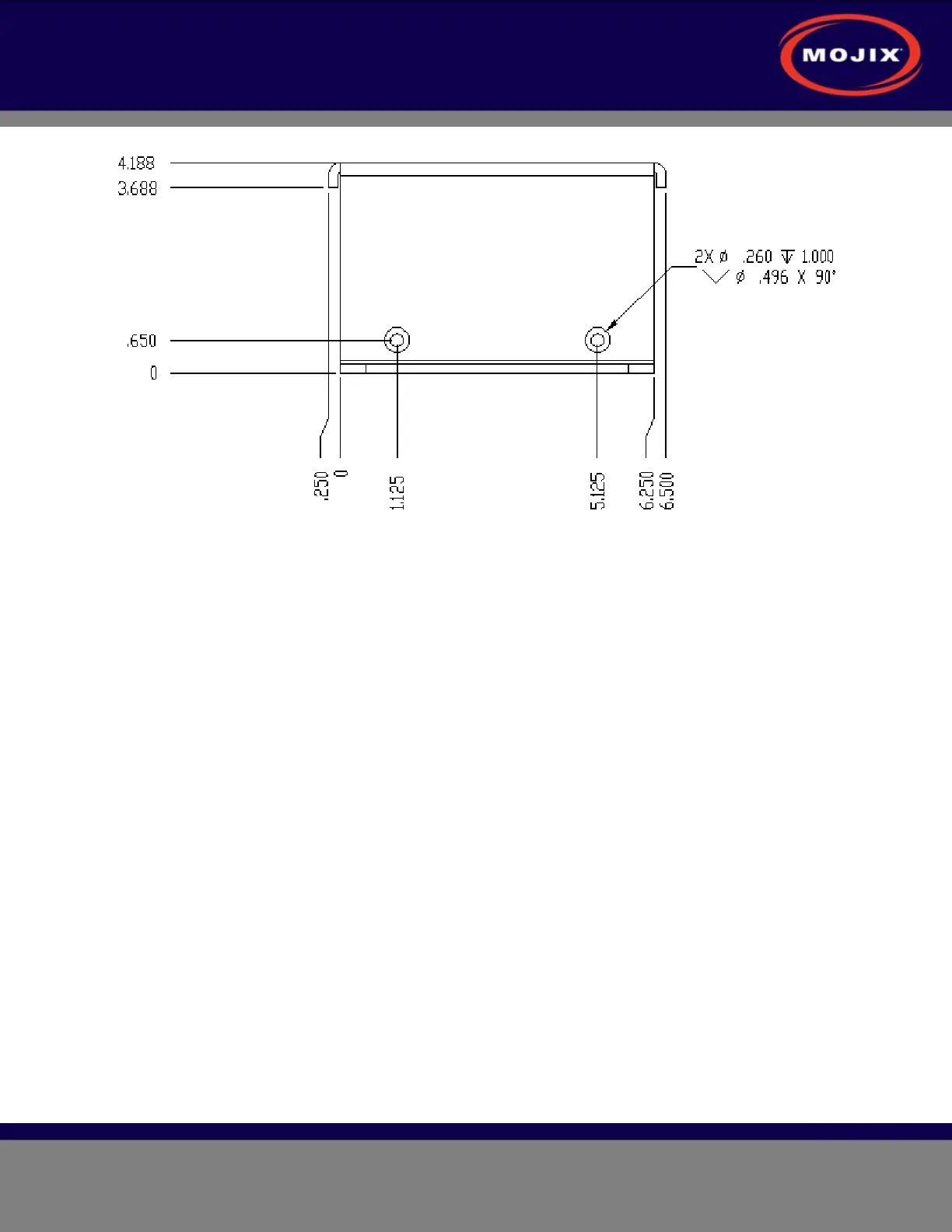
MOJIX STAR3000 - Figure 7: Vesa Interface

Default Icon
72 pages
Print Icon
To Next Page IconTo Next Page
To Next Page IconTo Next Page
To Previous Page IconTo Previous Page
To Previous Page IconTo Previous Page
Loading...
STAR™ 3000 / eNode3000 User Manual
Mojix Incorporated
Page
11
www.mojix.com
(877) 886-6549
Figure 7: VESA Interface Mount Bracket End Profile View

Table of Contents