EasyManua.ls Logo

NEC NP2000 - Anschluss eines Externen Monitors

NEC NP2000
1169 pages
Print Icon
To Next Page IconTo Next Page
To Next Page IconTo Next Page
To Previous Page IconTo Previous Page
To Previous Page IconTo Previous Page
Loading...
16
AUDIO
IN
AUDIO OUT
PHONE
MONITOR OUT
COMPUTER 1 IN (order COMPUTER 2 IN / COMPONENT IN)
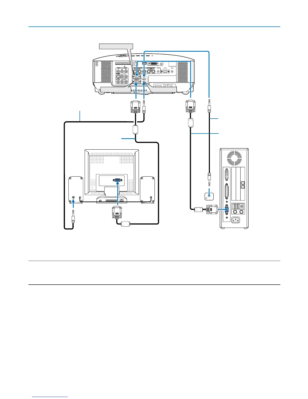
2. Installation und Anschlüsse
Anschluss eines externen Monitors
Sie können einen separaten, externen Monitor an Ihren Projektor anschließen, um sich während der Bildprojektion
auf dem Monitor gleichzeitig das analoge RGB- oder Komponenten-Bild anzeigen zu lassen.
HINWEIS:
Ein Daisychain-Anschluss ist nicht möglich.
Der MONITOR OUT-Anschluss gibt kein Videosignal (Digitalsignal) vom COMPUTER 3 IN-Anschluss aus.
• Bei Anschluss eines Audiogerätes wird der Projektor-Lautsprecher des Projektors deaktiviert.
Audiokabel (nicht im
Lieferumfang enthalten)
Audiokabel (nicht im
Lieferumfang enthalten)
VGA-Signalkabel
VGA-Signalkabel
(Lieferumfang)

Table of Contents

Other manuals for NEC NP2000

Related product manuals