EasyManua.ls Logo

NEC NP2000 - Collegamento DI un Monitor Esterno

NEC NP2000
1169 pages
Print Icon
To Next Page IconTo Next Page
To Next Page IconTo Next Page
To Previous Page IconTo Previous Page
To Previous Page IconTo Previous Page
Loading...
16
AUDIO
IN
AUDIO OUT
PHONE
MONITOR OUT
COMPUTER 1 IN (o COMPUTER 2 IN / COMPONENT IN)
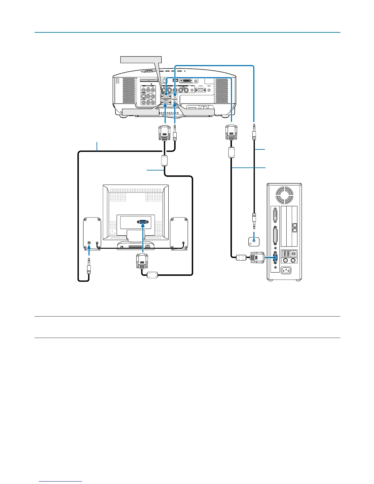
2. Installazione e collegamenti
Collegamento di un monitor esterno
Non potete collegare un monitor esterno separato al proiettore per visualizzare contemporaneamente sul monitor
l’immagine RGB analogica o componente proiettata.
NOTA:
• Non è possibile effettuare un collegamento in serie.
• Il connettore MONITOR OUT non emetterà alcun segnale video (segnale digitale) dal connettore COMPUTER 3 IN.
Quando collegate un componente audio, rimane disabilitato l’altoparlante del proiettore.
Cavo dei segnali VGA
Cavo dei segnali VGA
(in dotazione)
Cavo audio (non in dotazione)
Cavo audio (non in dotazione)

Table of Contents

Other manuals for NEC NP2000

Related product manuals