EasyManua.ls Logo

NEC PH1000U - Connecting an External Monitor

NEC PH1000U
251 pages
Print Icon
To Next Page IconTo Next Page
To Next Page IconTo Next Page
To Previous Page IconTo Previous Page
To Previous Page IconTo Previous Page
Loading...
169
6. Installation and Connections
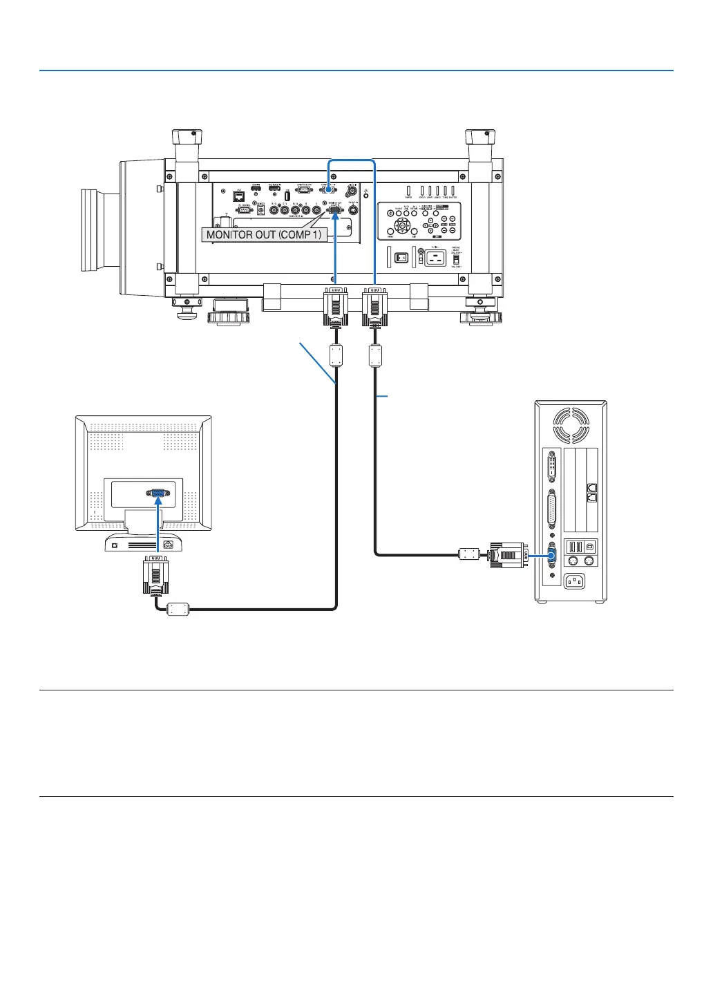
Connecting an External Monitor
Youcanconnectaseparate,externalmonitortoyourprojectortosimultaneouslyviewonamonitorthecomputer
analogimageyou’reprojecting.
NOTE:
• Daisychainconnectionisnotpossible.
• ThesignalonlyfromtheCOMPUTER1INconnectorwillbeoutputtotheMONITOROUT(COMP1)connector.
• When[POWER-SAVING]or[NETWORKSTANDBY]isselectedfor[STANDBYMODE]withintheon-screenmenu,thesignalwill
notbeoutputtotheMONITOROUT(COMP1)connectorinstandby.
• WhenthesignalfromtheCOMPUTER3INconnectorsisprojected,novideosignalwillbeoutputtotheMONITOROUT(COMP1)
connector.
Computercable(VGA)
(supplied)
Computercable(VGA)
(not supplied)

Table of Contents

Other manuals for NEC PH1000U

Related product manuals