EasyManua.ls Logo

Nivus OCM PRO CF - Page 39

Nivus OCM PRO CF
194 pages
Print Icon
To Next Page IconTo Next Page
To Next Page IconTo Next Page
To Previous Page IconTo Previous Page
To Previous Page IconTo Previous Page
Loading...
Instruction manual
OCM Pro CF
®
OCM Pro CF - Rev. 09 as of 07.06.2016 page 39
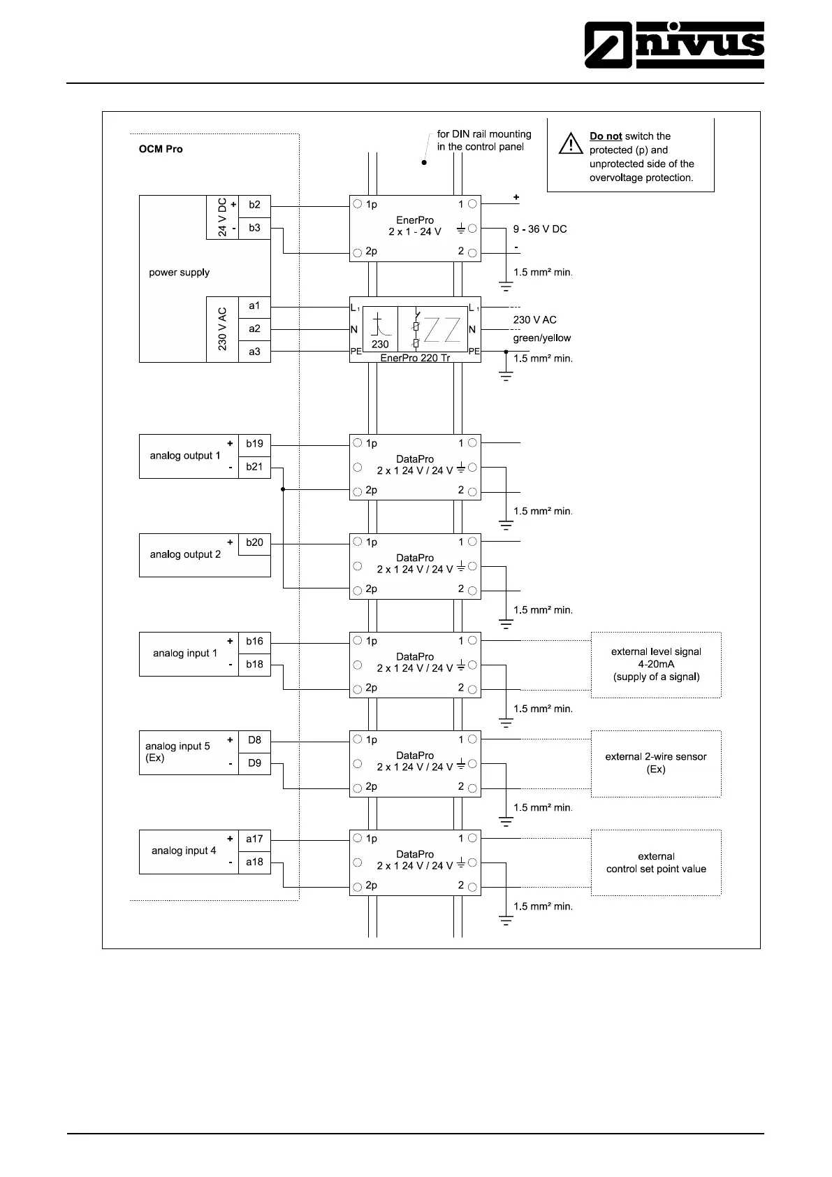
Fig. 7-15 Wall mount enclosure - connecting the overvoltage protection
for power supply and analog inputs and outputs

Table of Contents

Related product manuals