EasyManua.ls Logo

Nivus OCM PRO CF - Panel Mount Enclosure Overvoltage Protection

Nivus OCM PRO CF
194 pages
Print Icon
To Next Page IconTo Next Page
To Next Page IconTo Next Page
To Previous Page IconTo Previous Page
To Previous Page IconTo Previous Page
Loading...
Instruction manual
OCM Pro CF
®
OCM Pro CF - Rev. 09 as of 07.06.2016 page 47
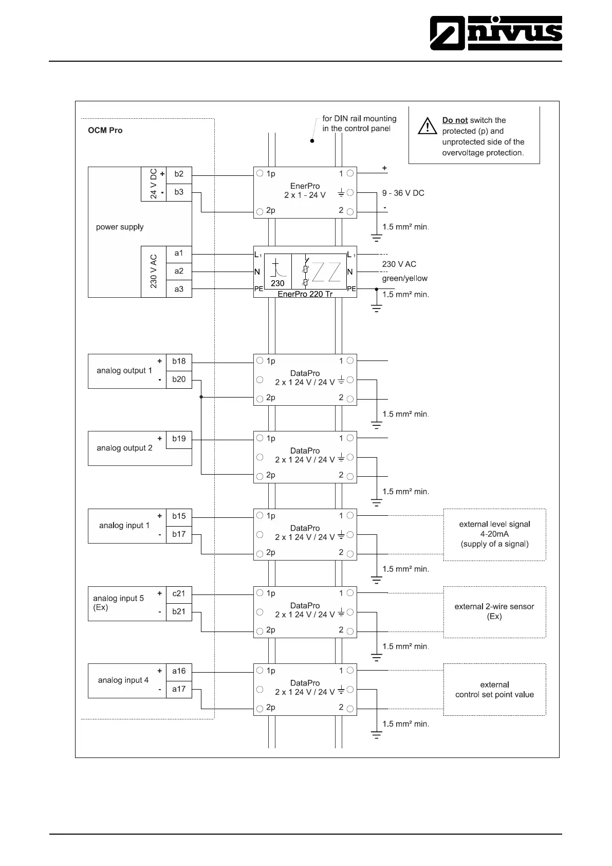
7.3.5 Panel Mount Enclosure Overvoltage Protection
Fig. 7-32 Panel mount enclosure - connecting the overvoltage protec-
tion for power supply and analog inputs and outputs (panel
mount enclosure)

Table of Contents

Related product manuals