EasyManua.ls Logo

Nokia RM-632 - Power Distibution

Nokia RM-632
188 pages
Print Icon
To Next Page IconTo Next Page
To Next Page IconTo Next Page
To Previous Page IconTo Previous Page
To Previous Page IconTo Previous Page
Loading...
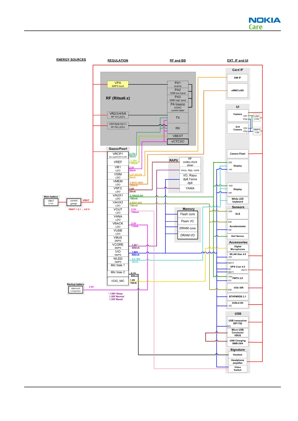
Power distibution
Figure 30 Power distribution diagram
RM-632; RM-634; RM-699
System Module
Issue 3 COMPANY CONFIDENTIAL Page 5 – 11
Copyright © 2010 Nokia. All rights reserved.

Table of Contents

Related product manuals