EasyManua.ls Logo

Nokia RM-632 - WLAN Settings for Phoenix

Nokia RM-632
188 pages
Print Icon
To Next Page IconTo Next Page
To Next Page IconTo Next Page
To Previous Page IconTo Previous Page
To Previous Page IconTo Previous Page
Loading...
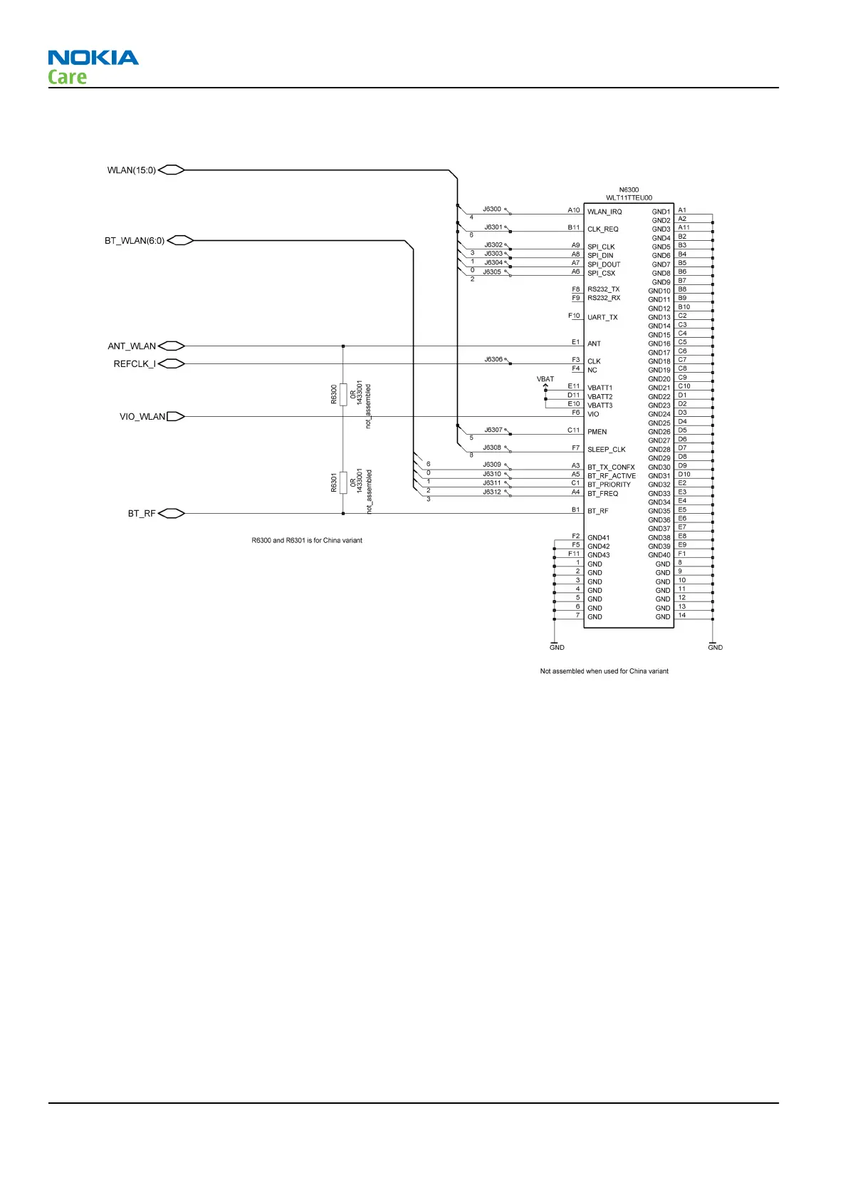
The recommendation is to use no test points and use software tests in Phoenix to verify the operation of the
WLAN module. For reference, all test points provided on the schematic are summarised below.
The sequence of events during the start up of WLAN is:
1 PMEM is asserted high when Wlan module is first enabled by the Host.
2 WLAN module should respond by driving CLK REQ high to request the 38.4MHz clock.
3 Host engine turns on the 38.4MHz clock and then generates the SPI Clock to start the download of software
to the WLAN module.
Adding more test points in a product is not strictly necessary.
WLAN settings for Phoenix
Use the following to test WLAN using Phoenix:
1 Set phone into Local Mode .
2 From the File menu, select Scan Product and check that the correct product version is displayed
3 From the Testing menu, select Self Test. This opens up a Self Test dialogue box, as shown below.
Select the ST_WLAN_TEST check box as shown and then select Start button. The test turns on the WLAN, sets
up the SPI interface and then downloads the WLAN firmware into the WLAN module. During the download
the WLAN acknowledges the data blocks and so the self test is a good way to confirm that the WLAN module
is communicating with the Host. The result column will change to Passed after a few seconds if operating
properly.
RM-632; RM-634; RM-699
BB Troubleshooting and Manual Tuning Guide
Page 3 – 56 COMPANY CONFIDENTIAL Issue 3
Copyright © 2010 Nokia. All rights reserved.

Table of Contents

Related product manuals