EasyManua.ls Logo

Omron OMNUC G5 R88D-KT50F - Page 35

Omron OMNUC G5 R88D-KT50F
632 pages
Print Icon
To Next Page IconTo Next Page
To Next Page IconTo Next Page
To Previous Page IconTo Previous Page
To Previous Page IconTo Previous Page
Loading...
1-12
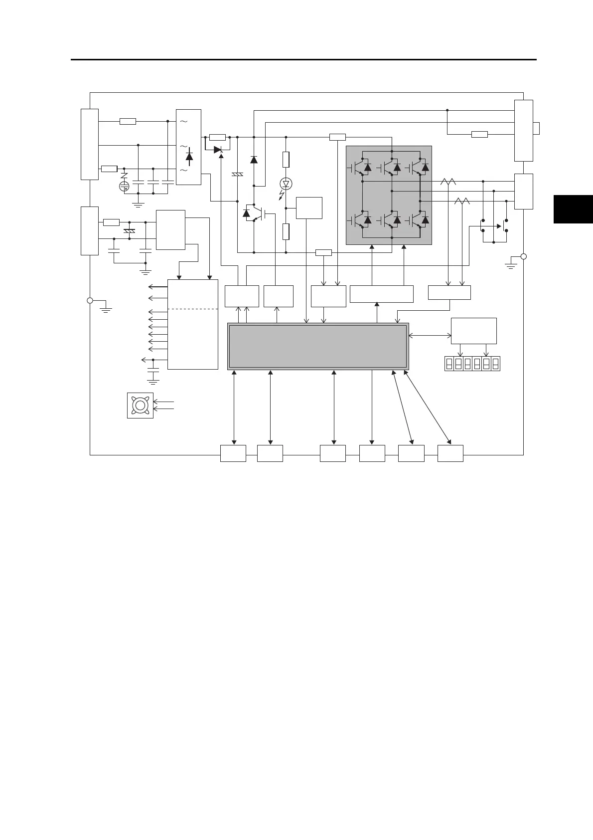
1-4 System Block Diagrams
1
OMNUC G5-SERIES AC SERVOMOTOR AND SERVO DRIVE USER'S MANUAL
Features and System Configuration
R88D-KT30F/-KT50F
FG
0 V
24 V
L3
L2
L1
FUSE
FUSE
FUSE
15 V
G1
5 V
2.5 V
1.5 V
E5 V
G2
3.3 V
FG
CN2 CN4 CN5 CN7
B1
B2
B3
NC
U
V
W
CN8 CN1
DC-DC
Display and
setting circuit
area
Gate drive
SW power
supply main
circuit control
Internal
control power
supply
+
-
+
-
±12 V
Overcurrent
detection
Current detection
Voltage
detection
Regeneration
control
Relay
drive
Control
interface
MPU & ASIC
Position, speed, and torque calculation control area
• PWM control
Encoder
External
encoder
Analog
monitor
USB
Safety
Internal Regeneration Resistor
Axial-flow fan
+
-
TB2
TB2
TB2
TB1

Table of Contents

Related product manuals