EasyManua.ls Logo

Omron VARISPEED L7 - Connection Diagram

Omron VARISPEED L7
299 pages
Print Icon
To Next Page IconTo Next Page
To Next Page IconTo Next Page
To Previous Page IconTo Previous Page
To Previous Page IconTo Previous Page
Loading...
2-2
2
Connection Diagram
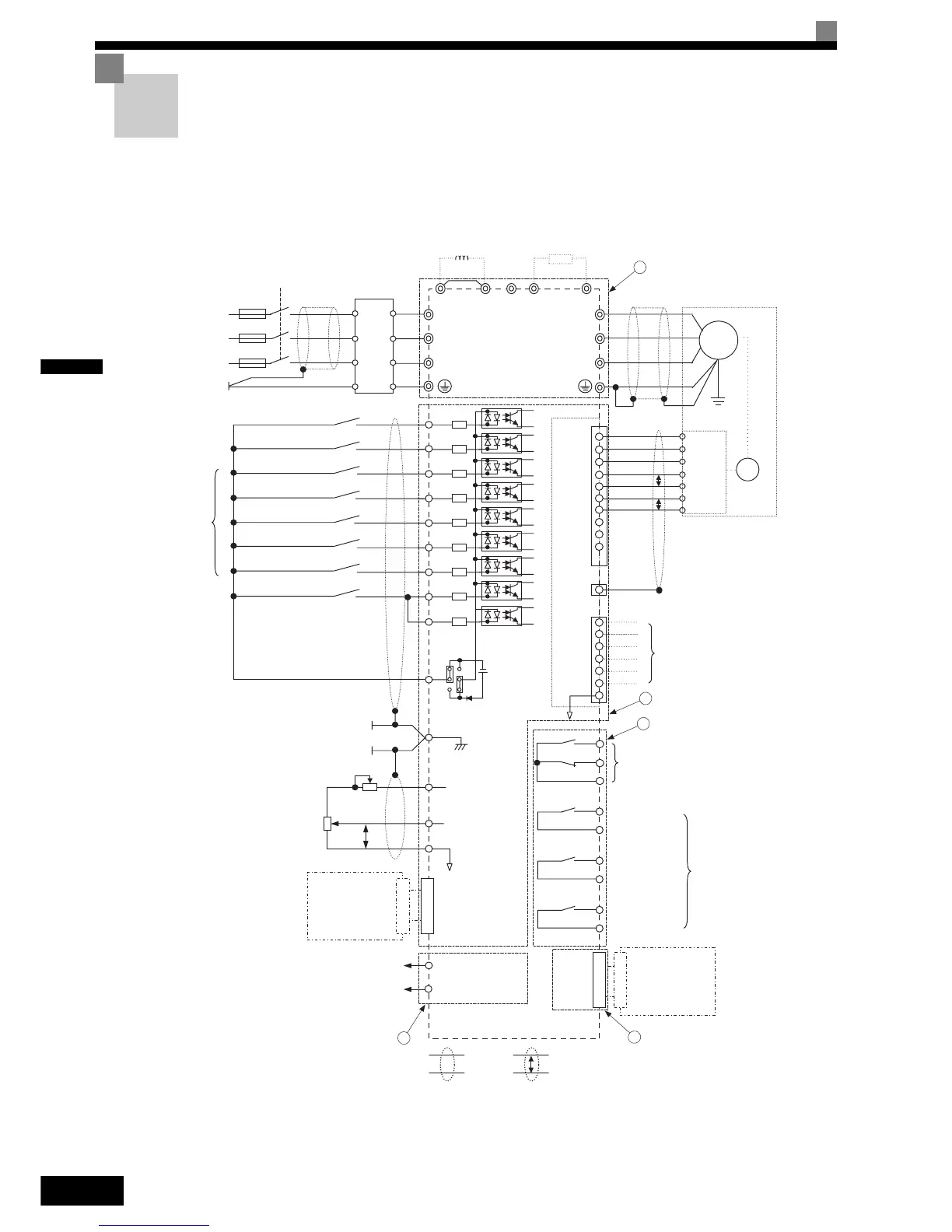
The connection diagram of the Inverter is shown in Fig 2.1.
When using the Digital Operator, the motor can be operated by wiring only the main circuits.
Fig 2.1 Connection Diagram (Model CIMR-L7Z43P7 Shown Above)
1
3
2
1
Voltage adjust-
ment
DC reactor to improve input
power factor (optional)
Braking Resistor
unit (optional)
Link
Magnetic
Contactor
3-phase power
380 to 480V
50/60Hz
L1
L2
L3
PE
Line
Filter
L1(R)
L2(S)
L3(T)
(+1) (+2)
(-)
B1
B2
U/T1
V/T2
W/T3
TA1
PG-X2
(Optional)
Motor
IM/PM
TA3
TA2
P
P
PG
S1
S3
S2
S4
S5
S6
S7
BB
BB1
Multi function
Inputs
(Factory setting)
Forward run/stop
Reverse run/stop
Nominal Speed
Inspection Run
Intermediate Speed
Leveling Speed
Not used
Hardware Baseblock (note 3)
SC
+24V, 8mA
IP24V (24V)
CN5(NPN setting)
A Pulse
B Pulse
Z Pulse
Pulse Monitor Output
RS-422
(100m or less)
E(G)
MA
MB
MC
Fault contact output
250VAC, max. 1A
30VDC, max. 1A
M1
M2
M3
M5
M4
M6
Brake Command
(Factory setting)
Contactor Control
(Factory setting)
Inverter Ready
(Factory setting)
Multi-function
contact output
250VAC, max. 1A
30VDC, max. 1A
Analog input power
supply +15V, 20mA
Master speed
reference 0 to 10V
+V
A1
AC
0 V
P
2CN
2kOhm
Analog input
(Speed reference)
2kOhm
0 to 10 V
Input option cards
Optional control power
supply input for Rescue
Operation
to terminal B1
to terminal -
Control Power
Supply Input
P0
N0
Twisted-pair
wires
Shielded
wires
Note:
1
. Main circuit terminals are indicatied with double circles and
control circuit terminals are indicatied with a single circles
2. The CN5 factory setting is NPN
3. To enable the inverter both inputs, BB and BB1 must be closed. If
only one of the inputs is closed, “BB” will be displayed in the
operator panel and the inverter will not start.
Output option
cards
3CN
2

Table of Contents

Related product manuals