EasyManua.ls Logo

OnRobot RG2 - Mechanical Dimensions

OnRobot RG2
28 pages
Print Icon
To Next Page IconTo Next Page
To Next Page IconTo Next Page
To Previous Page IconTo Previous Page
To Previous Page IconTo Previous Page
Loading...
RG2 User Manual Version 1.44
Specifications is periodically reviewed and may change without notice Copyright © 2015 2016 by On Robot ApS. All rights reserved
7
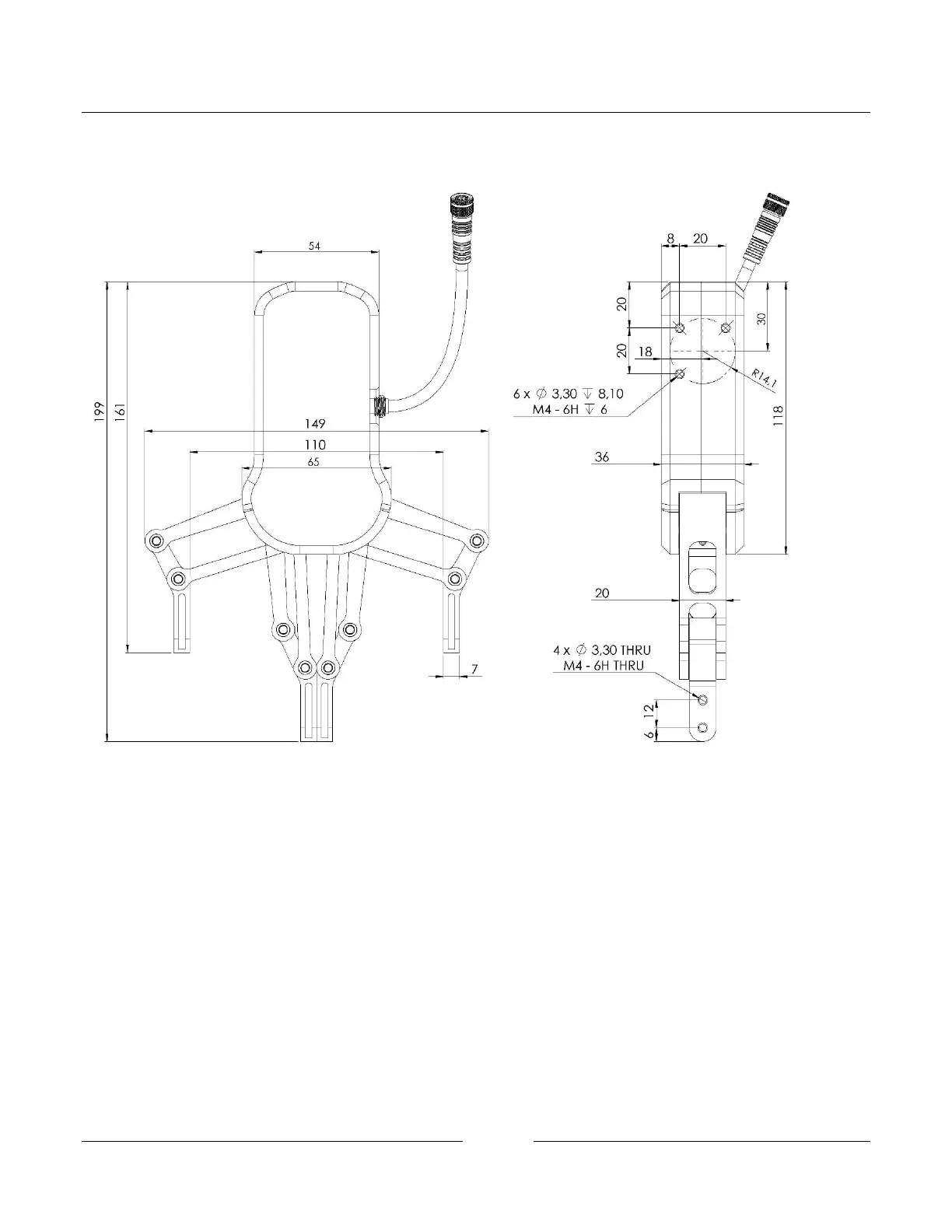
4.2 Mechanical dimensions
The dimensions are in millimeters

Related product manuals