EasyManua.ls Logo

Panasonic KX-TCD705RUM - Page 27

Panasonic KX-TCD705RUM
80 pages
Print Icon
To Next Page IconTo Next Page
To Next Page IconTo Next Page
To Previous Page IconTo Previous Page
To Previous Page IconTo Previous Page
Loading...
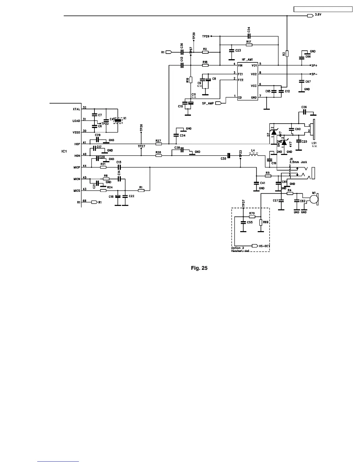
Circuit Diagram
27
KX-TCD705RUM / KX-TCD705RUS

Table of Contents

Related product manuals