EasyManua.ls Logo

Panasonic SA-PM4E - 13 Block Diagram; CD Servo; Optical Pickup Unit

Panasonic SA-PM4E
68 pages
Print Icon
To Next Page IconTo Next Page
To Next Page IconTo Next Page
To Previous Page IconTo Previous Page
To Previous Page IconTo Previous Page
Loading...
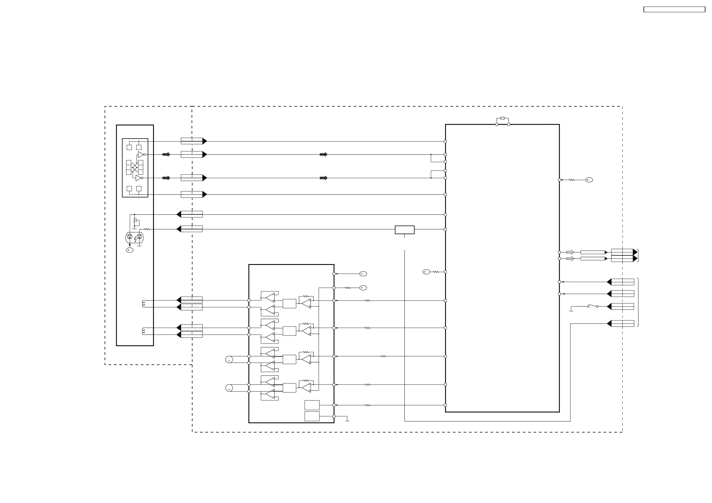
13 Block Diagram
13.1. CD SERVO / OPTICAL PICKUP UNIT
5
=?/&#6#
=?56#6
=?/%.-
=?$.-%-
=?456
=?/.&







%2
%2
%2
%2
%2
%2
%2
%2

%2
%2
%2
%2

%2
%2

%2
%2


%2
%2
%2
%2
/76'
=%*?
.'8'.
5*+(6
=%*?
.'8'.
5*+(6
=%*?
.'8'.
5*+(6
=%*?
.'8'.
5*+(6
=%*?
/76'
=%*?
=?2&
=?.&
=?(12
+%
$#(2'
%*&4+8'
+0

=?642
+0

+0
=?6482
=?52176
=?2%
+0
2%
84'(
28%%
28%%
8%%


&

&

&

&

&

&

/
64#8'45'
/1614
&

&

/
52+0&.'
/1614
126+%#.2+%-722%$
%&5'4812%$
$
(1%75
%1+.
64#%-+0)
%1+.
6
126+%#.2+%-72
2*161&'6'%614
5'/+%10&7%614
.#5'4
(
(
6
%&A8
2%
$
$
/
/
=?84'(
84'(
84'(
8
$
8
$
+%
3
59+6%*
/0/#
5'481241%'5514
&+)+6#.5+)0#.241%'5514
&+)+6#.(+.6'4&#%108'46'4
=?%
'' ''
'('(
& %
# $
& %
=?$
=?'
=?#
=?&
=?(
=?176.
=?#8&&
=?+1&&
=?24#/8&&
=?+1&&
=?4')10
=?06'56
%&5+)0#..%*
:
=?:
=?:
%0
%0
=?1764
%&5+)0#.4%*
%0
%0
%0
%0
%0
%0
%0
%0
%0
%0
5#2/''$')%&5'481126+%#.2+%-7270+6$.1%-&+#)4#/
61/#+0
$.1%-&+#)4#/
61/#+0
$.1%-&+#)4#/
4'5'659+6%*
SA-PM4E / SA-PM4EB / SA-PM4EG
39

Table of Contents

Related product manuals