EasyManua.ls Logo

Panasonic SA-PM4E - 15 Schematic Diagram; CD Servo Circuit

Panasonic SA-PM4E
68 pages
Print Icon
To Next Page IconTo Next Page
To Next Page IconTo Next Page
To Previous Page IconTo Previous Page
To Previous Page IconTo Previous Page
Loading...
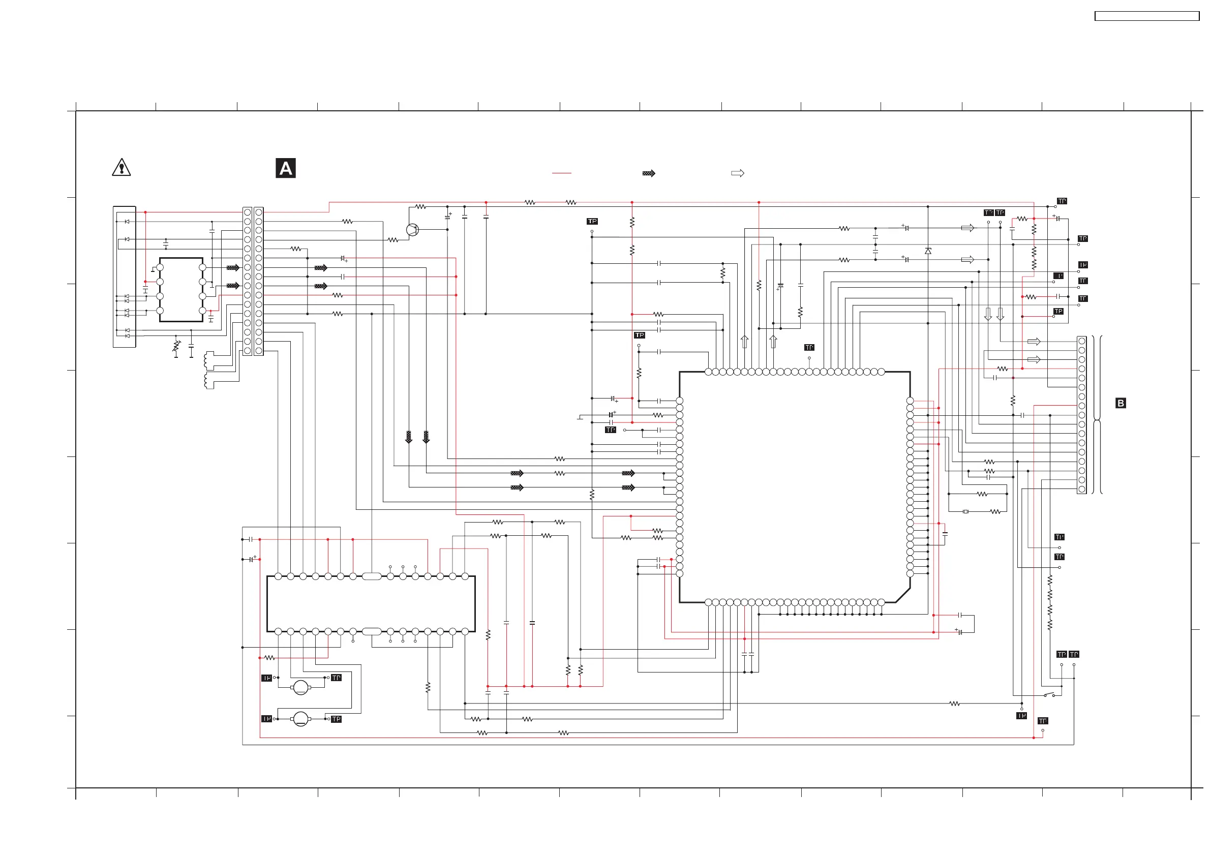
15 Schematic Diagram
15.1. CD SERVO CIRCUIT
18
8
31
13
7
9
1917
14
3
210
37
36
39
38
50
51(RF)
24
16
CN7002
11
1
REST SW
LOADING
/RST
BLKCK
MLD
MDATA
MCLK
PGND
+7.5V
TX
LD SW
D.GND
+3.3V
RCH OUT
A.GND
S7201
RESET SW
C7243
0.1
C7102
0.47
C7203
6.3V220
C7204 0.1
C7107
0.022
R7217
1K
LCH OUT
C7232
R7218
1K
W7005
0
C7225
1000P
C7227
50V1
C7228
50V1
D7650
MAZ80560ML
C7226
1000P
C7166
0.01
C7264
0.1
STAT
C7142
3300P
C7223 50V4.7
C7218
0.082
C7241
1000P
R7211
82K
C7216
680P
C7161
0.1
W7020 0W7022 0
R7212
820
C7244 0.015
C7217 0.1
C7154
C7155
R7111 10K
0.1
0.1
R7221 100
C7230 0.1
C7231 6.3V220
R7254
1K
R7253
10
R7220
1M
C7234 0.1
16
1
2
3
4
5
6
14
12
10
8
7
9
11
13
15
TO
MAIN CIRCUIT
(CN301) ON
SCHEMATIC
DIAGRAM-4
4
R7601
4.7
Q7601
B1ADCF000001
LASER POWER DRIVE
GND
GND
F-
T+
T-
LPD
VREF
B
GND
LD GND
LD
E
F
VCC
C7601
6.3V33
R7650
5.6
W7025
0
W7023 0
W7026 0
W7024 0
C7614
6.3V100
C7613 0.1
M7301
TRV MOTOR
M7302
SRL MOTOR
R7331
22K
R7328 10K
W7021 0
W7017 0
R7349
18K
W7016
0
W7014
0
W7018
0
W7019
0
R7330
5.6K
R7332
1K
C7339
R7329 1K
C7338
0.056
C7315
0.47
R7323
3.3K
R7327
1K
R7335
100
C7335
0.1
C7334
10V220
R7336
10
F+
C7670
0.1
C7626
0.1
R7315
3.3K
R7325 330
IC7002
BA5948FPE2
4 CH DRIVE
VCC
NC
NC
NC
IN3
IN4
VREF
NC
GND
GND
PVCC2
PGND2
D4+
D4-
D3+
D3-
PGND1
PVCC1
NC
D2+
D2-
D1+
D1-
IN1
NC
NC
PC2
PC1
IN2
NC
3456
24
25 26 27 28
8
12
23
21
9
20
10
19
1
11
18
2
13
17
1615
22
7
14
R7339
1K
A
12
11
10
2
4
6
8
9
7
5
3
1
13
14
15
16
CN7001
1
2
3
4
56
7
8
9
26
27
28
29
30
31
32
33
34
67
68
69
70
71
72
73
74
75
92
93
94
95
96
97
98
99
100
10
66
35
91
11
65
36
90
12
64
13
63
37
89
38
88
14
62
15
61
16
60
39
87
40
86
41
85
17
59
18
58
19
57
20
56
42
84
43
83
44
82
45
81
21
55
22
54
23
53
24
52
25
51
46
80
47
79
48
78
49
77
50
76
NTEST2
PRAMVDD15
PRAMVDD33
PC
DQSYTXT
SMCK
PMCK
NSRVMONON
PD
LD
E
A
C
F
B
D
DVSS2
IOVDD1
DVDD2
EXT2
EXT1
NRST
FLAG
STAT
MCLK
TX
BLKCK
MDATA
MLD
EXT0
IOVDD2
NTEST
FOP
TRVP
SPOUT
TRP
DVSS1
SDRCK
BA0
BA1
PRAMVSS33
A10
A11
NRAS
NCAS
NWE
A8
A7
A9
A5
A3
A1
A0
A2
A4
A6
CENV
RFENV
SRVMON1
CTRCRS
SRVMON0
AVSS2
OSCIN
VREF
DVDD1
RFIN
RFOUT
D10
D12
DRVDD
D15
D0
D4
D6
D7
D5
D3
D2
D1
D14
D13
D11
D8
D9
X2
X1
ARFDC
ARFOUT
AVDD2
ARFFB
PLLF0
AVDD1
DVSS3
OUTR
AVSS1
ARFIN
IREF
OUTL
PLLF
DSLF
IC7001
MN6627954MA
SERVO PROCESSOR/
DIGITAL SIGNAL PROCESSOR/
DIGITAL FILTER D/A CONVERTER
17
1
17
17
1
0.1
6.3V220
C7263
0.1
X7201
H2B1695000005
R7214
470
C7235
16V10
C7165
10
C7164
10
M
M
0.018
C7352
0.018
C7233
W7006
0
W7007
0
W7008
0
W7009
0
W7010
0
W7027
0
W7013 0
W7015 0
W7012 0
W7004
0
W7002
0
W7003
0
W7001
0
W7011
0
C7253
470P
R7028
0
C
C
C
C
LASER DIODE
11
12
6
8
2
3
12
11
10
2
4
6
8
9
7
5
3
1
13
14
15
16
GND
VCC
AIN
BIN
VREF
NAOUT
GND
NBOUT
1
2
3
4
5
6
7
8
10
5
4
9
C
A
B
C
D
E
F
G
H
1234567891011121314
1234567891011121314
A
B
D
E
F
H
G
C
: + B SIGNAL LINE
SCHEMATIC DIAGRAM - 1
SA-PM4E/EB/EG OPTICAL PICKUP / CD SERVO CIRCUIT
CD SERVO CIRCUIT
OPTICAL PICKUP CIRCUIT
(FOR REFERENCE ONLY)
: CD-DA SIGNAL LINE
: CD SIGNAL LINE
SA-PM4E / SA-PM4EB / SA-PM4EG
45

Table of Contents

Related product manuals