EasyManua.ls Logo

Panasonic SA-PM4E - Transformer Circuit; HP; MUSIC PORT CIRCUIT and CD EJECT CIRCUIT

Panasonic SA-PM4E
68 pages
Print Icon
To Next Page IconTo Next Page
To Next Page IconTo Next Page
To Previous Page IconTo Previous Page
To Previous Page IconTo Previous Page
Loading...
15.5. HP / MUSIC PORT CIRCUIT and CD EJECT CIRCUIT
FC600 FC601
3
2
4
1
L600
G0B371HA0005
JK600
AC IN
230V 50Hz
... E/EG
230-240V 50Hz
...EB
C601
0.01
C602
0.01
10K
R604
C609
25V1000
C603
0.01
D601D603
12
R601
47K
R603
50V47
C607
Q601
2SB0621AHA
-VP REGULATOR
B0BC02900004
D606
0.01
C606
R602
3.3K
C604
0.01
B0EAKM000117
D607
C608
50V100
B0EAKM000117
D605
C605
50V100
D602
D604
D601-D604
B0EAMM000038
2143
CN900B
1
3
2
CN650
14
12
13
15
9
10
7
8
11
2
3
1
4
6
5
F1
250V 630mA
FL1
GND2
-VP
FL2
AMP_VCC1
VAC
GND1
T601
G4CYAYY00142
MAIN TRANSFORMER
A
B
C
D
E
F
G
H
1234567891011121314
1234567891011121314
A
B
D
E
F
H
G
C
: + B SIGNAL LINE : - B SIGNAL LINE
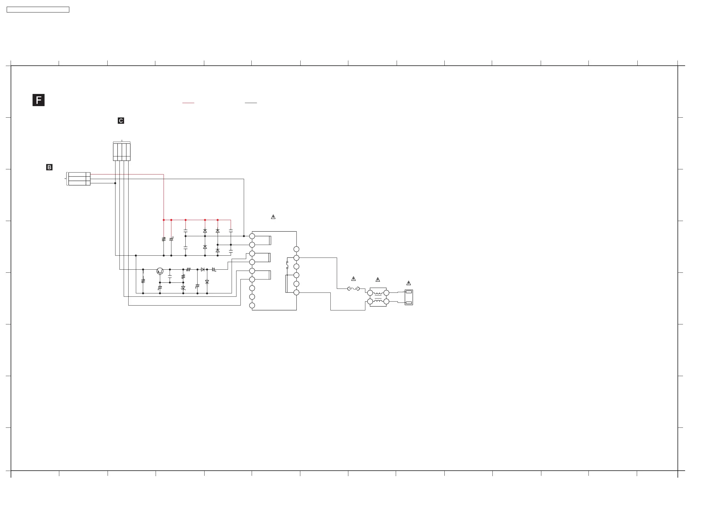
SCHEMATIC DIAGRAM - 8
SA-PM4E/EB/EG TRANSFORMER CIRCUIT
TRANSFORMER CIRCUIT
TO
MAIN CIRCUIT
(JW601) ON
SCHEMATIC
DIAGRAM-5
TO
PANEL CIRCUIT
(WH900) ON
SCHEMATIC
DIAGRAM-6
SA-PM4E / SA-PM4EB / SA-PM4EG
52

Table of Contents

Related product manuals