EasyManua.ls Logo

Panasonic YD-500FD2 - 13 Circuit Diagram; Circuit Diagram for Yd-350 Fd2 Hgy

Panasonic YD-500FD2
48 pages
Print Icon
To Next Page IconTo Next Page
To Next Page IconTo Next Page
To Previous Page IconTo Previous Page
To Previous Page IconTo Previous Page
Loading...
Circuit diagram
42
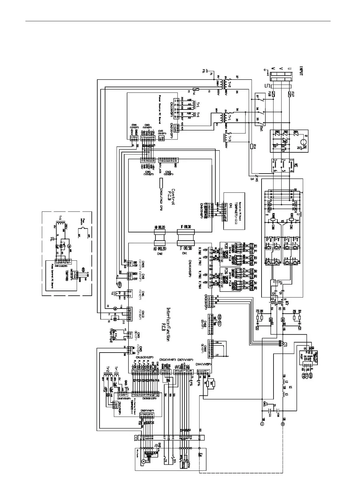
13 Circuit diagram
13.1 Circuit diagram for YD-350FD2HGY

Related product manuals