EasyManua.ls Logo

Philips 42PF9731D - Page 103

Philips 42PF9731D
201 pages
Print Icon
To Next Page IconTo Next Page
To Next Page IconTo Next Page
To Previous Page IconTo Previous Page
To Previous Page IconTo Previous Page
Loading...
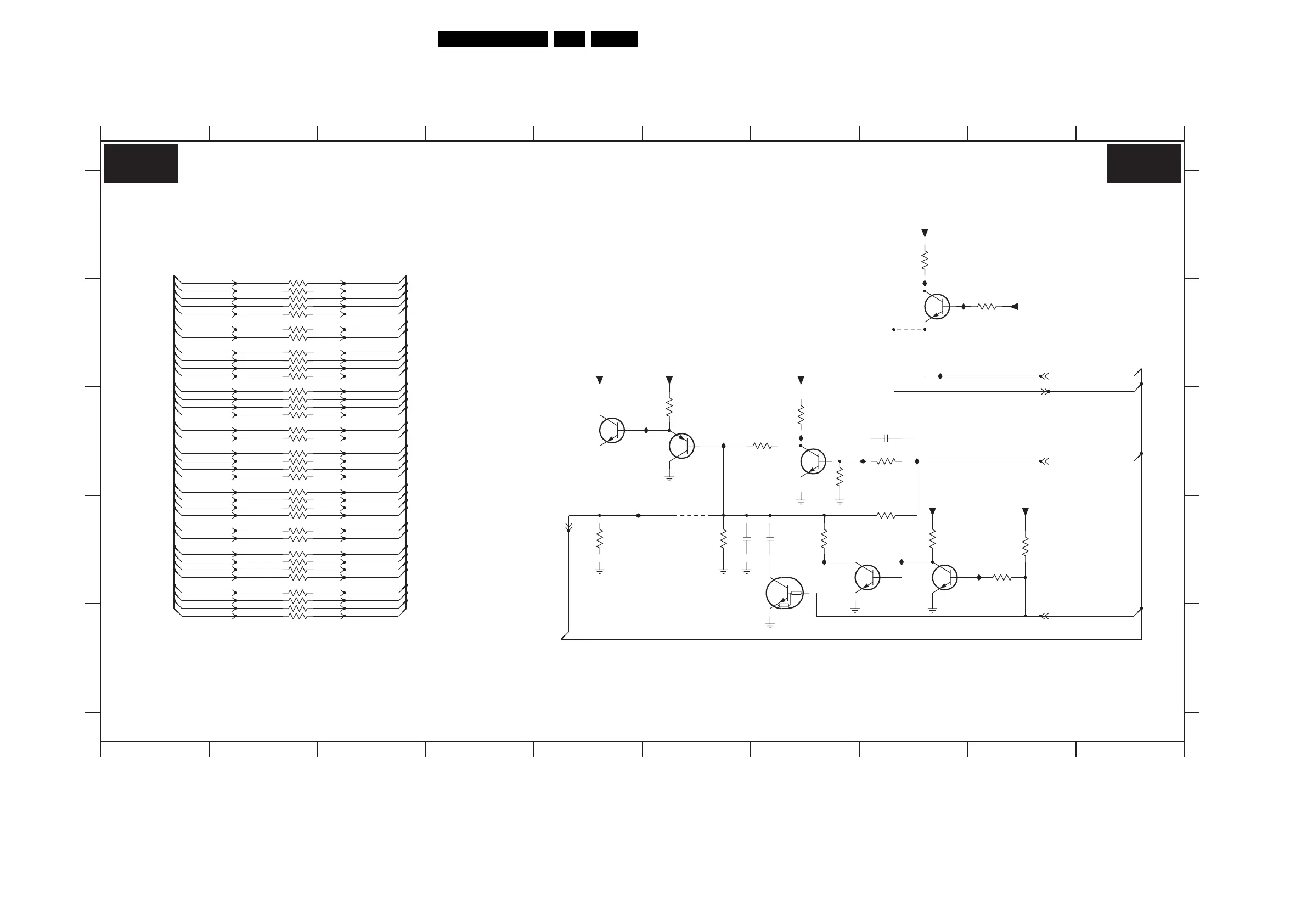
Circuit Diagrams and PWB Layouts
103BJ2.4U/BJ2.5U LA 7.
SSB: Pacific 3: Part 1
B6A B6A
12345678910
E
2G36 D7
2G37 D6
2G60 C8
91012345678
3G14 B2
3G15 C2
3G16 C2
3G17 D2
3G18 D2
3G20 B9
3G21 A8
3G23 C7
3G25 C7
3G26 C8
3G27 C7
3G32 D8 3G56-1 C2
3G56-2 C2
3G56-3 C2
3G56-4 C2
3G57-1 C2
3G57-2 C2
3G57-3 C2
3G57-4 C2
3G58-1 D2
3G01 D9
3G02 D8
3G03 D7
3G05 D9
3G08 B2
3G09 B2
3G10 B2
3G11 B2
3G12 B2
3G13 B2 3G60-1 E2
3G60-2 E2
3G60-3 D2
3G60-4 D2
A
B
C
D
E
A
B
PACIFIC3: PART 1
9G30 D6
9G35 B8
IG01 B8
IG02 B8
IG03 C6
IG04 C7
IG05 C6
C
D
3G34 D5
3G35 D6
3G51 C6
3G55-1 B2
3G55-2 B2
3G55-3 B2
3G55-4 B2
IG06 C7
IG07 C8
IG08 D5
IG09 D9
IG10 D8
IG11 D7
IG15 B8
3G58-2 D2
3G58-3 D2
3G58-4 C2
3G59-1 D2
3G59-2 D2
3G59-3 D2
3G59-4 D2
7G31-1 C5
7G31-2 C6
7G33 B8
7G34 C7
7G35 D7
7G36-1 D7
7G36-2 D8
+3V3
10K
3G05
3G27
3G32
2K2
1K0
IG02
45
IG03
IG01
5
68R
3G55-4
3G60-4
68R
4
IG10
IG09
IG11
3G11
68R
3G59-4 4 5
3 6 68R
3G20
3G59-3
68R
10K
7G33
9G35
BC847BW
22K
3G03
7G36-1
BC847BS
2
6
1
PDTC114EU
7G35
2G60
470p
IG07
183G60-1
68R
3G23
12K
3G35
33K
3G55-3
68R
3 6 68R
27
3G60-3 3 6
3G55-2
68R
1u0
2G37
27
68R
3G56-2
IG08
10K
3G01
10K
3G02
+8V6-SW
5
3
4
BC847BS
7G36-2
+8V6-SW+8V6-SW
3G51
47K
3G60-2 2 7
3G18
68R
68R
3G14
68R
363G58-3
68R
7G34
BC847BW
4K7
3G26
18
68R
3G55-1
68R
3G10
*
1K0
3G34
36
68R
3G57-3
2G36
1u0
68R
3G15
45
IG15
18
3G57-4
68R
3G57-1
68R
68R
3G17
7G31-2
*
5
3
4
*
2
6
1
BC847BPN
3G25
BC847BPN
7G31-1
10K
9G30
+8V6-SW
3G09
68R
7
68R
3G13
3G59-2
68R
2
IG04
+5V
3G21
4K7
27
68R
3G57-2
68R
3G16
3G59-1 1 8
68R
3G58-4 4 5
18
68R
68R
3G58-1
273G58-2
68R
183G56-1
68R
36
68R
3G56-3
68R
3G12
IG05
68R
3G08
45
IG06
3G56-4
68R
+3V3
BACKLIGHT-CONTROL
BACKLIGHT-CNTRL-OUT
CTRL1-VIPER
LIGHT-ON-OUT
LAMP-ON
MP-GOUT-9
MP-BOUT-0
MP-BOUT-1
MP-BOUT-2
MP-BOUT-3
MP-BOUT-4
MP-BOUT-5
MP-BOUT-6
MP-BOUT-7
MP-BOUT-8
MP-BOUT-9
MP-R2
MP-R3
MP-R4
MP-R5
MP-R6
MP-R7
MP-R8
MP-R9
MP-B7
MP-B8
MP-B9
MP-CLKOUT
MP-OUT-HS
MP-OUT-VS
MP-OUT-DE
MP-OUT-FFIELD
MP-ROUT-0
MP-ROUT-1
MP-ROUT-5
MP-ROUT-4
MP-ROUT-3
MP-ROUT-2
MP-ROUT-9
MP-ROUT-8
MP-ROUT-7
MP-ROUT-6
MP-GOUT-0
MP-GOUT-1
MP-GOUT-2
MP-GOUT-3
MP-GOUT-4
MP-GOUT-5
MP-GOUT-6
MP-GOUT-7
MP-GOUT-8
MP-CLK
MP-HS
MP-VS
MP-DE
DV-OUT-FFIELD
MP-R0
MP-R1
MP-G0
MP-G1
MP-G2
MP-G3
MP-G4
MP-G5
MP-G6
MP-G7
MP-G8
MP-G9
MP-B0
MP-B1
MP-B2
MP-B3
MP-B4
MP-B5
MP-B6
3104 313 6145.2
G_15930_043.eps
120606

Table of Contents

Other manuals for Philips 42PF9731D

Related product manuals