EasyManua.ls Logo

Philips 42PF9731D - SRP List Explanation

Philips 42PF9731D
201 pages
Print Icon
To Next Page IconTo Next Page
To Next Page IconTo Next Page
To Previous Page IconTo Previous Page
To Previous Page IconTo Previous Page
Loading...
Circuit Diagrams and PWB Layouts
117BJ2.4U/BJ2.5U LA 7.
SSB: Firewire 1394: Miscellaneous
NCNC
A
REF
K
NCNC
A
REF
K
NC
GND
RST
IN
CD
3M00 E1
IM14 C2
3M73 B1
3M74 B3
3M75 B3
3M76 D2
A
2M91 C2
2M94 D5
IM00 D2
2
IM16 C4
53
24
C
IM01 E2
RES
3M80 C5
IM03 F3
RES
IM12 A2
IM13 C5
IM08 F2
9M00 F1
9M01 E5
9M05 E5
USE
7M01 A4
3M77 D2
3M78 D2
3M79 C4
2M93 C4
5
7M10 E1
3M71 B1
3M72 A3
IM17 D2
3M14 C3
3M09 A4
3M70 A1
1
2M92 D3
1
0V3
FM71 C5
FM72 D3
2M90 B2
3M01 E1
3M02 E2
3M03 E1
3M04 E2
3M05 F2
3M82 B3
3M81 C5
3M86 E4
MISCELLANEOUS
3104 313 6145.2
B12 B12
G_15930_056.eps
120606
0V
4
B
3
D
E
1V3
1V9
4V
1V6
0V3
6M11 F3
6M10 E3
7M11 E1
IM02 E3
IM04 E1
IM05 E1
3M85 E4
IM06 E1
FM70
IM11 A3
IM15 C2
FOR FACTORY
7M12 E2
9M02 E5
9M04 E4
7M03 A3
7M04 C3
7M05 D1
7M06 C4
7M07 C5
9M06 A3
FM07 F1
FM10 A3
FM70 A1
F
1TG1 E4
2M92
10u 10V
10V10u
2M94
3M78
1K0
5
3
1
2
4
BC847B
7M07
+3V3
TS431AILT
7M05
4K7
3M86
33K
3M03
150R
3M75
3M09
10K
7M01
PDTC114EU
1
3
2
7M11
BC847B
IM08
9M04
150R
3M80
+1V2-STANDBY
3M70
2K2
IM13
2M90
100n
150R
3M82
3M04
18K
9M02
12
4
7M06
TS431AILT
53
9M05
3
4
56
FM07
B4B-PH-SM4-TBT(LF)
1TG1
1
2
FM72
3M72
10K
3M79
1K0
+3V3-STANDBY
6M11
BAS316
+5V
3M81
150R
3M71
1K2
4R7
3M14
470R
3M73
3M02
10K
2M91
10n
IM02
+5V2-STBY
+5V2-STBY
3M74
150R
9M06
10K
3M01
+3V3-STANDBY
IM05
+3V3-STANDBY
BC847B
7M10
BC847B
7M12
FM10
FM71
IM01
IM00
9M01
1
IM06
NCP303LSN10T1
7M03
5
3
2
4
3M00
10K
3M85
4K7
BAS316
6M10
1K0
3M05
7M04
BC847B
IM16
+3V3-STANDBY
1K5
3M77
IM03
IM11
10n
2M93
IM12
IM15
3M76
1K0
IM14
IM17
IM04
+3V3-STANDBY
9M00
+3V3-STANDBY-B-TRANS
ON-MODE
POD-MODE
SCL-DMA-BUS1
SDA-DMA-BUS1
+5V2-STBY
STANDBY
RESET-STBY
SDA-DMA-BUS1-ATSC
SCL-DMA-BUS1-ATSC
SRP List Explanation
1.1. Introduction
Example
SRP (Service Reference Protocol) is a software tool that creates a list with all references to signal lines. The list contains
references to the signals within all schematics of a PWB. It replaces the text references currently printed next to the signal
names in the schematics. These printed references are created manually and are therefore not guaranteed to be 100%
correct. In addition, in the current crowded schematics there is often none or very little place for these references.
Some of the PW
B schematics will use SRP while others will still use the manual references. Either there will be an SRP
reference list for a schematic, or there will be printed references in the schematic.
1.2. Non-SRP Schematics
There are several different signals available in a schematic:
1.2.1. Power Supply Lines
All power supply lines are available in the supply line overview (see chapter 6). In the schematics (see chapter 7) is not
indicated where supplies are coming from or going to.
It is however indicated if a supply is incoming (created elsewhere), or outgoing (created or adapted in the current schematic).
+5V +5V
Outgoing Incoming
1.2.2. Normal Signals
For normal signals, a schematic reference (e.g. B14b) is placed next to the signals.
signal_name
B14b
1.2.3. Grounds
For normal and special grounds (e.g. GNDHOT or GND3V3 etc.), nothing is indicated.
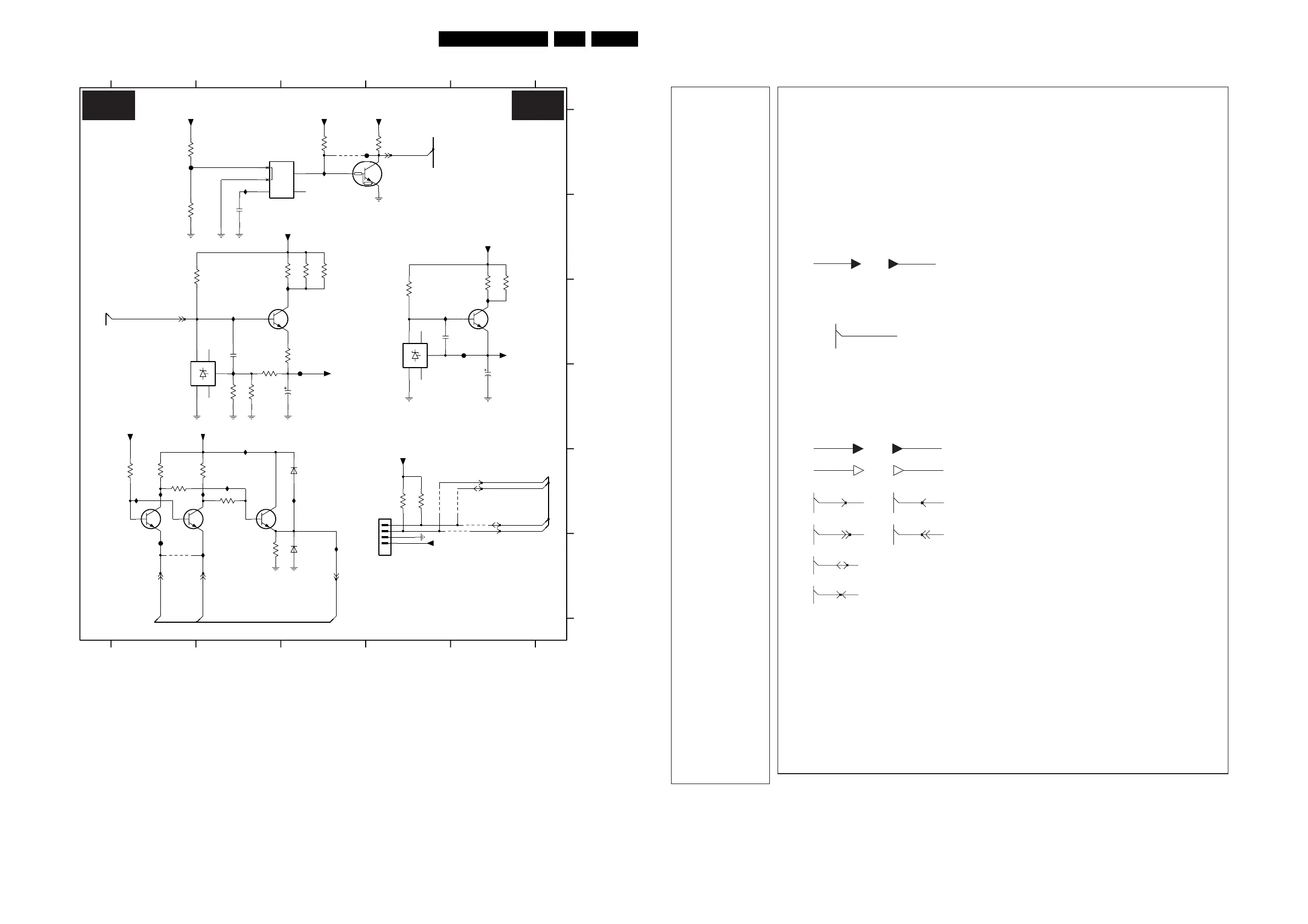
1.3. SRP Schematics
SRP is a tool, which automatically creates a list with signal references, indicating on which schematic the signals are used.
A reference is created for all signals indicated with an SRP symbol, these symbols are:
+5V +5V
Power supply line.
name name
Stand alone signal or switching line (used as less as possible).
name name
Signal line into a wire tree.
name name
Switching line into a wire tree.
name
Bi-directional line (e.g. SDA) into a wire tree.
name
Signal line into a wire tree, its direction depends on the circuit (e.g. ingoing for PDP, outgoing for LCD sets).
Remarks:
When there is a black dot on the "signal direction arrow" it is an SRP symbol, so there will be a reference to the signal
name in the SRP list.
All references to normal grounds (Ground symbols without additional text) are not listed in the reference list, this to keep
it concise.
Signals that are not used in multiple schematics, but only once or several times in the same schematic, are included
in the SRP reference list, but only with one reference.
Additional Tip:
When using the PDF service manual file, you can very easily search for signal names and follow the signal over all the
schematics. In Adobe PDF reader:
Select the signal name you want to search for, with the "Select text" tool.
Copy and paste the signal name in the "Search PDF" tool.
Search for all occurrences of the signal name.
Now you can quickly jump between the different occurrences and follow the signal over all schematics. It is advised to
"zoom in" to e.g. 150% to see clearly, which text is selected. Then you can zoom out, to get an overview of the complete
schematic.
PS. It is recommended to use at least Adobe PDF (reader) version 6.x, due to better search possibilities in this version.
E_06532_031.eps
230606
Net Name Diagram
+12-15V AP1 (4x)
+12-15V AP4 (4x)
+12-15V AP5 (12x)
+12-15V AP6 (4x)
+12-15V AP7 (8x)
+12V AP1 (4x)
+12V_NF AP1 (2x)
+12VAL AP1 (2x)
+25VLP AP1 (4x)
+25VLP AP2 (1x)
+3V3-STANDBY AP5 (3x)
+400V-F AP1 (2x)
+400V-F AP2 (2x)
+400V-F AP3 (2x)
+5V2 AP1 (6x)
+5V2 AP2 (1x)
+5V2-NF AP1 (1x)
+5V2-NF AP2 (1x)
+5V-SW AP1 (6x)
+5V-SW AP2 (1x)
+8V6 AP1 (3x)
+AUX AP1 (2x)
+AUX AP2 (1x)
+DC-F AP1 (2x)
+DC-F AP3 (2x)
+SUB-SPEAKER AP5 (1x)
+SUB-SPEAKER AP6 (2x)
-12-15V AP1 (4x)
-12-15V AP4 (6x)
-12-15V AP5 (14x)
-12-15V AP6 (6x)
-12-15V AP7 (8x)
AL-OFF AP1 (2x)
AUDIO-L AP4 (1x)
AUDIO-L AP5 (1x)
AUDIO-PROT AP5 (3x)
AUDIO-R AP4 (1x)
AUDIO-R AP5 (1x)
AUDIO-SW AP5 (1x)
AUDIO-SW AP7 (1x)
BOOST AP1 (2x)
CPROT AP4 (2x)
CPROT AP5 (1x)
CPROT-SW AP5 (1x)
CPROT-SW AP6 (2x)
-DC-F AP1 (2x)
-DC-F AP3 (2x)
DC-PROT AP1 (1x)
DC-PROT AP5 (2x)
DIM-CONTROL AP1 (2x)
FEEDBACK+SW AP6 (2x)
FEEDBACK-L AP4 (2x)
FEEDBACK-R AP4 (2x)
FEEDBACK-SW AP6 (2x)
GND-AL AP1 (2x)
GNDHA AP1 (40x)
GNDHA AP2 (20x)
GNDHA AP3 (2x)
GNDHOT AP3 (2x)
GND-L AP1 (2x)
GND-L AP4 (4x)
GND-L AP5 (34x)
GND-LL AP4 (7x)
GND-LL AP5 (1x)
GND-LR AP4 (7x)
GND-LR AP5 (1x)
GND-LSW AP5 (1x)
GND-LSW AP6 (15x)
GND-S AP1 (11x)
GND-SA AP4 (8x)
GND-SA AP5 (2x)
GND-SA AP6 (8x)
GND-SA AP7 (6x)
GNDscrew AP3 (2x)
GNDscrew AP5 (2x)
GND-SSB AP5 (3x)
GND-SSP AP1 (51x)
GND-SSP AP2 (15x)
IN+SW AP6 (2x)
IN-L AP4 (2x)
IN-R AP4 (2x)
IN-SW AP6 (2x)
INV-MUTE AP4 (1x)
INV-MUTE AP5 (1x)
INV-MUTE AP6 (1x)
LEFT-SPEAKER AP4 (1x)
LEFT-SPEAKER AP5 (1x)
MUTE AP4 (2x)
MUTE AP5 (1x)
MUTE AP6 (2x)
ON-OFF AP1 (3x)
OUT AP6 (1x)
OUT AP7 (2x)
OUTN AP6 (1x)
OUTN AP7 (1x)
POWER-GOOD AP1 (2x)
POWER-OK-PLATFORM AP1 (2x)
RIGHT-SPEAKER AP4 (1x)
RIGHT-SPEAKER AP5 (1x)
SOUND-ENABLE AP5 (3x)
STANDBY AP1 (5x)
STANDBY AP2 (1x)
-SUB-SPEAKER AP5 (1x)
-SUB-SPEAKER AP6 (2x)
V-CLAMP AP1 (1x)
V-CLAMP AP3 (2x)

Table of Contents

Other manuals for Philips 42PF9731D

Related product manuals