EasyManua.ls Logo

Philips 42PF9731D - Supply Distribution: STANDBY Mode (Mentioned Values Are Indicative)

Philips 42PF9731D
201 pages
Print Icon
To Next Page IconTo Next Page
To Next Page IconTo Next Page
To Previous Page IconTo Previous Page
To Previous Page IconTo Previous Page
Loading...
Circuit Descriptions, Abbreviation List, and IC Data Sheets
EN 154 BJ2.4U/BJ2.5U LA9.
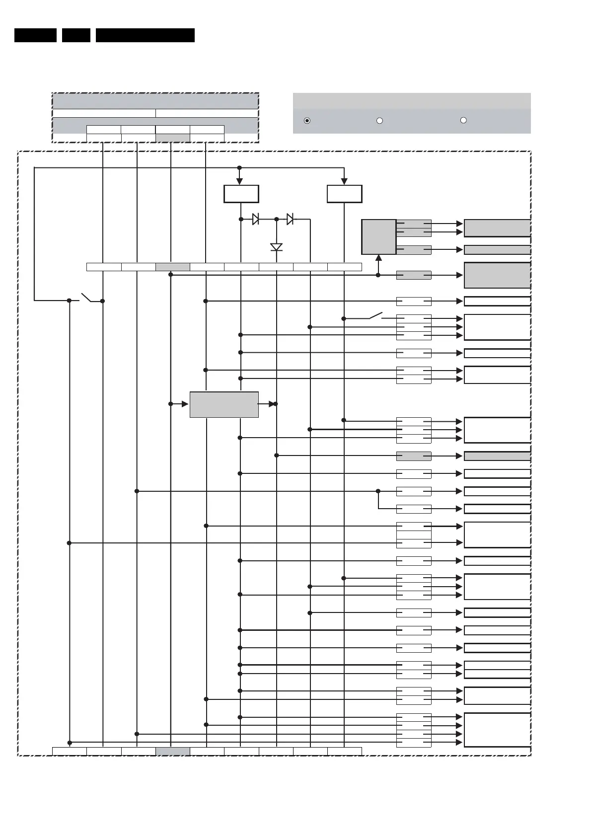
Figure 9-5 Supply distribution: STANDBY Mode (mentioned values are indicative)
d.c. power:
0.24 (W)
a.c. power:
0.94 (W)
+12VS +8V6 +5V2 +5V
power
0.00 0.00 0.24 0.00
(W)
DC-DC DC-DC
12V/3.3V 12V/1.2V
(mA)
15
12
1
Serial Flash
(mA) 0 0 45 00000
8
+12V switch
0
Splitter +OOB tuner
0
0
0
0
STV701
0
0
0
0
9
DD
R
0
NAND Flash
0
Tuner
0
IF amplifier
0
0
0
HDMI
0
0
0
0
DD
R
0
MOP
0
Ethernet
0
1394 Link
0
1394 Physical
0
0
0
0
0
0
+2V5D stabilizer
NXT2003
CAM
LEDs + IR sensor
(outside SSB)
Audio + I/O
Viper2
PNX3000
PNX2015
USB 2.0
Main Supply
Stdb uP
(PNX2015)
SUPPLY DISTRIBUTION IN STANDBY MODE
SSB
1.2V
and
3.3V
stabilizers
STDBY POD STDBY
ON
F_15400_006.eps
100505
+12VSW +12VS +8V6 +5V2 +5 +3V3 +2V5D +2V5 +1V2V

Table of Contents

Other manuals for Philips 42PF9731D

Related product manuals