EasyManua.ls Logo

Philips 42PF9731D - Ambient Light Block Diagram

Philips 42PF9731D
201 pages
Print Icon
To Next Page IconTo Next Page
To Next Page IconTo Next Page
To Previous Page IconTo Previous Page
To Previous Page IconTo Previous Page
Loading...
Circuit Descriptions, Abbreviation List, and IC Data Sheets
EN 169BJ2.4U/BJ2.5U LA 9.
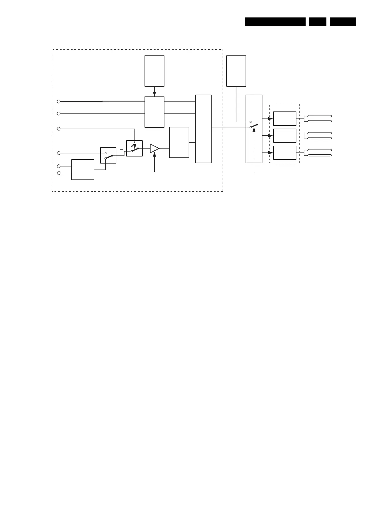
Figure 9-28 Ambient light block diagram
SW1
GND
Light sensor
Passive/Active AL
E_14620_007.eps
210605
HSV to RGB
Converter
SetHue (H)
SetSaturation (S)
SetValue (V)
Start
CyclingValue
SetLightState
Stop
RGB
EPLD
RED left
RED right
GREEN left
GREEN right
BLUE left
BLUE right
RED
inverter
Inverter board CCFL
GREEN
inverter
BLUE
inverter
RampUp
Down
Profiles
personal
Profiles
Picture
content
Cycle
Generator
SOFTWARE
SW2

Table of Contents

Other manuals for Philips 42PF9731D

Related product manuals