EasyManua.ls Logo

Philips 42PF9731D - Recycling Information; Product Packaging Recycling; Old Product Disposal; Battery Disposal

Philips 42PF9731D
201 pages
Print Icon
To Next Page IconTo Next Page
To Next Page IconTo Next Page
To Previous Page IconTo Previous Page
To Previous Page IconTo Previous Page
Loading...
68BJ2.4U/BJ2.5U LA 7.
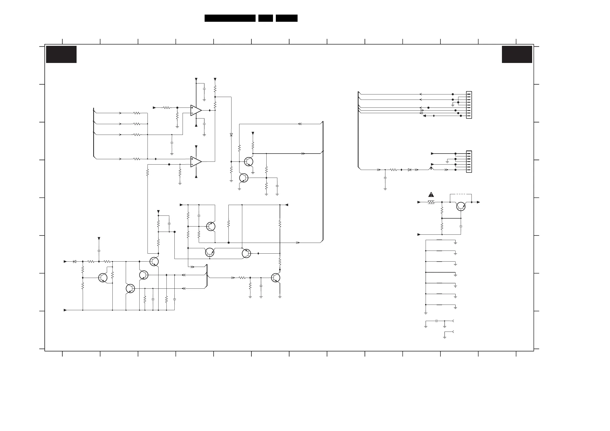
Circuit Diagrams and PWB Layouts
Platform Supply 42”: Audio Prot / Mute
H
A
B
C
D
B
4567891011
2DD8 D9
12
1234
G
6789101112
A
3DF4 B3
C
D
E
F
E
F
G
H
0001 H11
AUDIO: PROTECTION / MUTE CONTROL
3
1M02 C11
1M52 B11
2DD1 G3
2DD2 D6
2DD4 G6
2DD5 G3
2DD6 E3
2DD7 E4
3DG9 D6
2DE0 E11
2DF0 C3
2DF2 B4
2DF3 C4
5
3DD2 E10
3DD3 B4
3DD4 F1
3DD5 G1
3DD6 F2
3DD7 D9
3DF2 C2
3DF3 C2
7DF4 D6
3DF5 B3
3DF6 B4
3DF7 D3
3DF8 D4
12
0002 H11
3DG1 G2
3DG2 F3
3DG3 E5
3DG4 G3
3DG5 G5
3DG6 G5
3DG7 F6
3DG8 D6
FDH5 B11
3DH0 C5
3DH1 C5
3DH2 E4
3DH4 E4
3DD1 E10
6DF0 C5
6DF1 F1
6DF2 D10
7DD0 E11
7DF0 G3
7DF1 F3
7DF2 F4
7DF3 D6
IDG8 G1
7DF5 G6
7DF6 F6
7DF7-1 B4
7DF7-2 C4
3DG0 F1
FDG3 F5
FDG4 E3
FDG5 B10
FDH0 C11
FDH1 C11
FDH2 D11
FDH3 D11
FDH4 B11
FDH6 B11
FDH7 B4
FDH8 B11
FDH9 B11
2DF5 F1
2DF9 H10
3DD0 E10
3DI2 G3
0V(0V)
0V(0V)
IDE4 B10
IDE6 D10
IDF0 C3
IDF2 B4
IDF4 D5
IDF5 F4
IDF6 F1
c001 F10
c002 F10
c003 F10
c004 G10
3DF9 D5
7DF8 E4
7DF9 G1
7DH1 G2
9DD1 D11
FDG1 B11
FDG2 D3
c005 G10
c006 F10
c007 G10
IDE0 E11
IDE1 E10
IDE2 E11
IDE3 B5
3DH5 E6
3DH6 E3
3DH7 E4
3DI0 B2
3DI1 C2
+12-15V
GND-L
IDF7 D6
IDF8 E4
IDF9 F6
IDG0 F6
IDG1 G5
IDG4 F3
IDG5 F3
IDG6 F1
IDG7 F3
0V(0V)
GND-L
3DD2
47K
IDE4
3DD1
15K
+12-15V
FDG5
3DH1
2K2
IDF8
-12-15V
47K
3DG3
7DF8
BC847BW
GND-SA
c007
FDG2
c002
-12-15V
+3V3-STANDBY
4
2K2
3DH6
LM393PT
7DF7-1
3
2
1
8
5
6
7
8
4
LM393PT
7DF7-2
7DF0
BC847BW
3DG2
47K
GND-L
BC847BW
7DF1
IDF7
IDF2
220K
3DF3
IDF9
3DF2
220K
IDF6
GND-SSB
IDE0
IDG7
IDE2
c001
IDF4
VP1
-12-15V
IDE1
c005
GND-L
-12-15V
47K
3DF9
GND-L
FDH5
100n
2DF3
3DG0
4K7
1n5
2DD1
-12-15V
3DG1
2K2
6K8
3DG4
6DF2
BAS316
100R
3DD7
10n
2DD8
22K
3DD3
c004
FDG4
IDG8
7DD0
BC817-25W
IDE3
2DE0
1n5
10n
2DD2
00021
GND-L
9DD1
+3V3-STANDBY
GND screw
3DD5
1K0
IDE6
GND-SSB
GND-SSB
FDG3
3DD0
10R
3DH0
47K
FDG1
VP1
-12-15V
2DF2
100n
7DH1
BC847BW
3DF7
47K
6DF0
BAS316
220K
3DI0
3DI1
GND-L
220K
3DF5
2K7
FDH3
FDH4
GNDscrew
GND-L
GND screw
00011
3DD4
22K
7DF3
BC847BW
2DF5
100n
GND-L
+12-15V
2DD5
1n5
2DF9
10n
FDH7
IDF5
47K
3DF4
47K
3DH5
+12-15V
GND-L
+12-15V
FDH2
6DF1
BZX384-C18
IDG1
6K8
3DI2
10K
BC847BW
7DF9
47K
3DG8
GND-L
3DG5
47K
3DG6
+3V3-STANDBY
2DF0
1u0
3DF6
5K6
GND-LR
VP1
-12-15V
3
4
5
6
7
GND-SA
1M02
B7B-EH-A
1
2
100K
3DH7
FDH1
c006
FDH6
GND-L
3DF8
2K7
BC857BW
7DF2
+12-15V
GND-L
FDH9
FDH8
2DD7
1n0
2DD6
10n
3DG9
22K
IDF0
7DF6
BC857BW
GND-L
3DH4
33K
IDG6
47K
3DH2
IDG4
IDG5
GND-L
FDH0
IDG0
2
3
4
5
6
7
8
9
B9B-PH-K
1M52
1
2DD4
1n5
GND-L
BC847BW
7DF4
4K7
3DD6
c003
3DG7
47K
GND-L
GND-LSW
BC847BW
7DF5
CPROT-SW
AUDIO-PROT DC-PROT DC-PROT
GND-LL
AUDIO-L
AUDIO-R
AUDIO-SW
AUDIO-PROT
SOUND-ENABLE
INV-MUTE
MUTE
-SUB-SPEAKER
+SUB-SPEAKER
LEFT-SPEAKER
RIGHT-SPEAKER
AUDIO-PROT
SOUND-ENABLE
CPROT
SOUND-ENABLE
3104 313 6108.4
G_15990_077.eps
080506
AP5
AP5

Table of Contents

Other manuals for Philips 42PF9731D

Related product manuals